Циліндричні редуктори РМ складання 12
Редуктори типу РМ складання 12
Циліндричні редуктори - велика родина перетворювачів механічних величин, що включають в себе редуктор серії РМ варіанта складання 12. Цей механізм називається крановим, адже найчастіше встановлюється в приводі тягового механізму вантажопідіймального крана або як частина системи, що вирішує інше подібне завдання.
Перетворювачі РМ випускаються двоступінчастими, можуть мати такі міжосьові відстані: 250, 350, 400, 500, 650, 750, 850, 1000. Вони розраховані на роботу в помірному кліматичному поясі, можуть бути встановлені і в тропічних умовах. Допускається експлуатація механізму в запулених приміщеннях.
Підібрати відповідний редуктор допоможуть менеджери компанії «Промпривод». Ми надає покупцям прозору інформацію про всі можливості та особливості агрегатів, що купуються, також даємо можливість отримати знижку при оптовому замовленні і отримати сою покупку в будь-якому населеному пункті країни в оптимальні терміни.
Умовне позначення варіанти складання 12

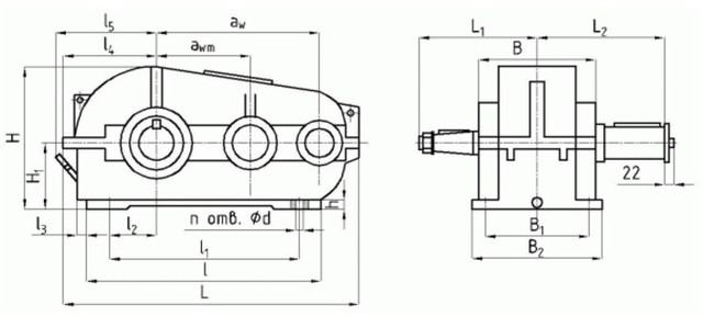
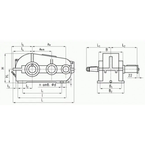
Конструкція редуктора РМ

Основні технічні характеристики
| Типорозмір редуктора | Передавальне число u | Мт, Н*м | Маса редуктора, кг | Awc | AwT | AwБ |
| РМ-250 | 8, 10, 12.5, 16, 20, 22.4, 31.5, 40, 50 | 350 | 85 | 250 | 150 | 100 |
| РМ-350 | 800 | 145 | 350 | 200 | 150 | |
| РМ-400 | 2500 | 210 | 400 | 250 | 150 | |
| РМ-500 | 4900 | 390 | 500 | 300 | 200 | |
| РМ-650 | 9500 | 830 | 650 | 400 | 250 | |
| РМ-750 | 15000 | 1030 | 750 | 450 | 300 | |
| РМ-850 | 18800 | 1230 | 850 | 500 | 350 | |
| РМ-1000 | 28700 | 2130 | 1000 | 600 | 400 |
Приклад умовного позначення редуктора РМ
РМ-250-25-12-К-У3:
РМ - тип редуктора;
250 - сумарне міжосьова відстань, мм;
25 - передаточне число;
12 - тип складання;
К - виконання вихідного кінця валу;
У3 - кліматичне виконання.
Цилиндрические редукторы РМ сборки 12
Відгуків про цей товар ще не було.
Немає відгуків про цей товар, станьте першим, залиште свій відгук.
Немає питань про даний товар, станьте першим і задайте своє питання.