Циліндричні редуктори РМ складання 11
Редуктори типу РМ складання 11
Редуктори серії РМ відносяться до кранових перетворювачів крутного моменту за рахунок зменшення кількості обертів обертання валу, що приходять в систему від електричного двигуна. Відповідно до ГОСТ 20373-94 перетворювач механічних величин РМ може бути поставлений у складанні 11. Цей варіант складання редуктора визначає одностороннє розташування валів перетворювача.
Установка агрегату повинна проводитися на горизонтальній площині, робота може проводитись протягом усіх 24 годин на добу, мати знакозмінне навантаження, а частота обертання вхідного валу агрегату не повинна перевищувати 1800 об/хв.
Купуйте якісні перетворювачі та інші промислові механізми на сайті виробника компанії «Промпривод» за найнижчою ціною без переплат. Ми співпрацюємо з товарними компаніями по всій Україні та можемо відправити ваше замовлення у будь-яку точку нашої країни. У нас найввічливіше та компетентне обслуговування, а також трирічна гарантія на весь сертифікований товар.
Умовне позначення варіанти складання 11

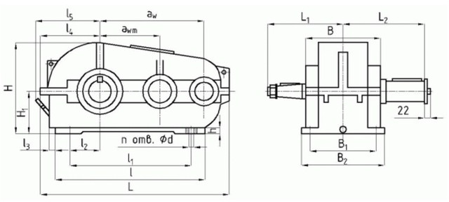
Конструкція редуктора РМ

Основні технічні характеристики
| Типорозмір редуктора | Передавальне число u | Мт, Н*м | Маса редуктора, кг | Awc | AwT | AwБ |
| РМ-250 | 8, 10, 12.5, 16, 20, 22.4, 31.5, 40, 50 | 350 | 85 | 250 | 150 | 100 |
| РМ-350 | 800 | 145 | 350 | 200 | 150 | |
| РМ-400 | 2500 | 210 | 400 | 250 | 150 | |
| РМ-500 | 4900 | 390 | 500 | 300 | 200 | |
| РМ-650 | 9500 | 830 | 650 | 400 | 250 | |
| РМ-750 | 15000 | 1030 | 750 | 450 | 300 | |
| РМ-850 | 18800 | 1230 | 850 | 500 | 350 | |
| РМ-1000 | 28700 | 2130 | 1000 | 600 | 400 |
Приклад умовного позначення редуктора РМ
РМ-250-25-11-К-У3:
РМ - тип редуктора;
250 - сумарне міжосьова відстань, мм;
25 - передаточне число;
11 - тип складання;
К - виконання вихідного кінця валу;
У3 - кліматичне виконання.
Цилиндрические редукторы РМ сборки 11
Відгуків про цей товар ще не було.
Немає відгуків про цей товар, станьте першим, залиште свій відгук.
Немає питань про даний товар, станьте першим і задайте своє питання.