Циліндричні редуктори РМ складання 13
Редуктори типу РМ складання 13
Найчастіше редуктор машинобудівний серії РМ використовується в приводах козлових та мостових кранів як перетворювач механічних величин для оптимізації технологічного процесу. Якщо є необхідність приєднати кілька виконавчих механізмів, то доцільно вибирати редуктор РМ варіанта складання 13. Відповідно до ГОСТ 20373-94 перетворювач, зібраний за такою складання, має два виходи тихохідного валу.
Отримайте детальну інформацію про будь-який цікавий для вас редуктор або варіант його складання 13 у менеджерів компанії «Промпривод». У нас ви зможете купити редуктор за найбільш вигідною ціною та з можливістю доставки до будь-якого населеного пункту країни з наданням необхідної документації, що доводить справність та відповідність стандарту кожного придбаного у нас перетворювача, запчастин до нього чи іншого обладнання.
Умовне позначення варіанта збирання 13

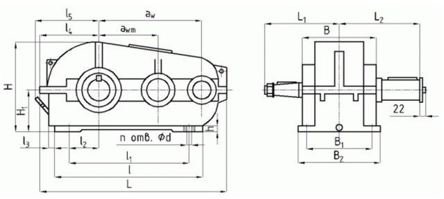
Конструкція редуктора РМ

Основні технічні характеристики
| Типорозмір редуктора | Передавальне число u | Мт, Н·м | Маса редуктора, кг | Awc | AwT | AwБ |
| РМ-250 | 8, 10, 12.5, 16, 20, 22.4, 31.5, 40, 50 | 350 | 85 | 250 | 150 | 100 |
| РМ-350 | 800 | 145 | 350 | 200 | 150 | |
| РМ-400 | 2500 | 210 | 400 | 250 | 150 | |
| РМ-500 | 4900 | 390 | 500 | 300 | 200 | |
| РМ-650 | 9500 | 830 | 650 | 400 | 250 | |
| РМ-750 | 15000 | 1030 | 750 | 450 | 300 | |
| РМ-850 | 18800 | 1230 | 850 | 500 | 350 | |
| РМ-1000 | 28700 | 2130 | 1000 | 600 | 400 |
Приклад умовного позначення редуктора РМ
РМ-250-25-13-К-У3:
РМ – тип редуктора;
250 - сумарна міжосьова відстань, мм;
25 - передавальне число;
13 - тип складання;
К - виконання кінця вихідного валу;
У3 – кліматичне виконання.
Цилиндрические редукторы РМ сборки 13
Відгуків про цей товар ще не було.
Немає відгуків про цей товар, станьте першим, залиште свій відгук.
Немає питань про даний товар, станьте першим і задайте своє питання.