Циліндричні редуктори РМ складання 15
Редуктори типу РМ складання 15
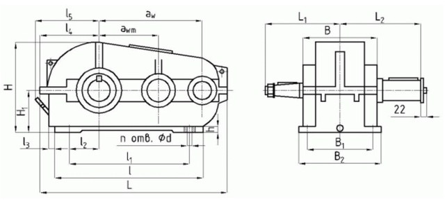
Машинобудівні редуктори РМ збірки 15 використовуються для перетворення значень моменту кручення і швидкості обертання, що надходять на них. Перетворювачі, зібрані за цим варіантом, мають один кінець швидкохідного валу і два – тихохідного для приєднання відразу кількох пристроїв та елементів.
Ознайомтеся з багатим асортиментом перетворювачів загального та особливого призначення на сайті компанії «Промпривод». У нас ви знайдете і зможете купити редуктор варіанта складання 15 та інших за найнижчими цінами. Звертайтеся до нас, і ми надамо детальну консультацію з будь-якого питання, що вас цікавить. Замовлення надсилає провідними транспортними компаніями-компаньйонами України до будь-якої точки країни.
Умовне позначення варіанта складання 15

Конструкція редуктора РМ

Основні технічні характеристики
| Типорозмір редуктора | Передавальне число u | Мт, Н·м | Маса редуктора, кг | Awc | AwT | AwБ |
| РМ-250 | 8, 10, 12.5, 16, 20, 22.4, 31.5, 40, 50 | 350 | 85 | 250 | 150 | 100 |
| РМ-350 | 800 | 145 | 350 | 200 | 150 | |
| РМ-400 | 2500 | 210 | 400 | 250 | 150 | |
| РМ-500 | 4900 | 390 | 500 | 300 | 200 | |
| РМ-650 | 9500 | 830 | 650 | 400 | 250 | |
| РМ-750 | 15000 | 1030 | 750 | 450 | 300 | |
| РМ-850 | 18800 | 1230 | 850 | 500 | 350 | |
| РМ-1000 | 28700 | 2130 | 1000 | 600 | 400 |
Приклад умовного позначення редуктора РМ
РМ-250-25-15-У3:
РМ – тип редуктора;
250 - сумарна міжосьова відстань, мм;
25 - передавальне число;
15 - тип складання;
У3 – кліматичне виконання.
Цилиндрические редукторы РМ сборки 15
Відгуків про цей товар ще не було.
Немає відгуків про цей товар, станьте першим, залиште свій відгук.
Немає питань про даний товар, станьте першим і задайте своє питання.