Циліндричні редуктори РМ складання 16
Редуктори типу РМ складання 16
Механічний редуктор серії РМ встановлюється і на виробництвах, і в будівельній сфері в якості перетворювального пристрою, що змінює значення крутного моменту, що надходять на нього, і кутової швидкості.
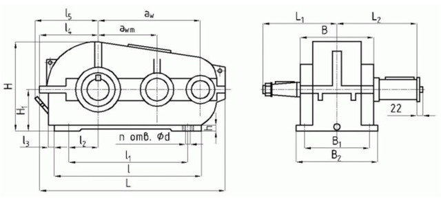
Циліндричний редуктор РМ може бути складений відповідно до варіанта складання 16, описаного в ГОСТ 20373-94. Відповідно до даного складання редуктор має два порожнисті кінці тихохідного валу, що дозволяє приєднувати відразу кілька елементів, полегшувати конструкцію, не втрачаючи в жорсткості з'єднання.
При необхідності придбати якісний перетворювач, який служитиме вам протягом довгих років, звертайтесь до компанії «Промпривод». У нас ви зможете купити редуктор, вибравши необхідний з величезного асортименту механізмів найвищої якості, виготовленим вітчизняним виробником у повній відповідності до всіх необхідних норм і стандартів. У нас можна знайти агрегати в різних варіантах збирання, типорозмірах та інших параметрах.
Умовне позначення варіанта збирання 16

Конструкція редуктора РМ

Основні технічні характеристики
| Типорозмір редуктора | Передавальне число u | Мт, Н·м | Маса редуктора, кг | Awc | AwT | AwБ |
| РМ-250 | 8, 10, 12.5, 16, 20, 22.4, 31.5, 40, 50 | 350 | 85 | 250 | 150 | 100 |
| РМ-350 | 800 | 145 | 350 | 200 | 150 | |
| РМ-400 | 2500 | 210 | 400 | 250 | 150 | |
| РМ-500 | 4900 | 390 | 500 | 300 | 200 | |
| РМ-650 | 9500 | 830 | 650 | 400 | 250 | |
| РМ-750 | 15000 | 1030 | 750 | 450 | 300 | |
| РМ-850 | 18800 | 1230 | 850 | 500 | 350 | |
| РМ-1000 | 28700 | 2130 | 1000 | 600 | 400 |
Приклад умовного позначення редуктора РМ
РМ-250-25-16-У3:
РМ – тип редуктора;
250 - сумарна міжосьова відстань, мм;
25 - передавальне число;
16 - тип складання;
У3 – кліматичне виконання.
Цилиндрические редукторы РМ сборки 16
Відгуків про цей товар ще не було.
Немає відгуків про цей товар, станьте першим, залиште свій відгук.
Немає питань про даний товар, станьте першим і задайте своє питання.