Циліндричні редуктори РМ складання 21
Редуктори типу РМ складання 21
Кранові промислові редуктори серії РМ можуть бути складені за варіантом складання 21, описаним у ГОСТ 20373-94. Це складання має на увазі наявність двох виходів валів – тихохідного та швидкохідного – для приєднання електричного двигуна та робочого органу приводної системи, розташованих по діагоналі один до одного.
У каталозі товарів, представлених на сайті компанії «Промпривод», ви можете знайти як загальнопромислові, так і спеціалізовані перетворювачі, а також комплектуючі та запчастини до них. Ви можете замовити дзвінок менеджера або скористатися послугою – написати нашим представникам у режимі онлайн-чату, щоб купити редуктор за найпривабливішою вартістю.
Умовне позначення варіанта складання 21

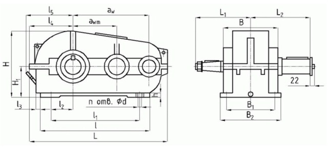
Конструкція редуктора РМ

Основні технічні характеристики
| Типорозмір редуктора | Передавальне число u | Мт, Н·м | Маса редуктора, кг | Awc | AwT | AwБ |
| РМ-250 | 8, 10, 12.5, 16, 20, 22.4, 31.5, 40, 50 | 350 | 85 | 250 | 150 | 100 |
| РМ-350 | 800 | 145 | 350 | 200 | 150 | |
| РМ-400 | 2500 | 210 | 400 | 250 | 150 | |
| РМ-500 | 4900 | 390 | 500 | 300 | 200 | |
| РМ-650 | 9500 | 830 | 650 | 400 | 250 | |
| РМ-750 | 15000 | 1030 | 750 | 450 | 300 | |
| РМ-850 | 18800 | 1230 | 850 | 500 | 350 | |
| РМ-1000 | 28700 | 2130 | 1000 | 600 | 400 |
Приклад умовного позначення редуктора РМ
РМ-250-25-21-У3:
РМ – тип редуктора;
250 - сумарна міжосьова відстань, мм;
25 - передавальне число;
21 - тип складання;
У3 – кліматичне виконання.
Цилиндрические редукторы РМ сборки 21
Відгуків про цей товар ще не було.
Немає відгуків про цей товар, станьте першим, залиште свій відгук.
Немає питань про даний товар, станьте першим і задайте своє питання.