Циліндричні редуктори РМ складання 23
Редуктори типу РМ складання 23
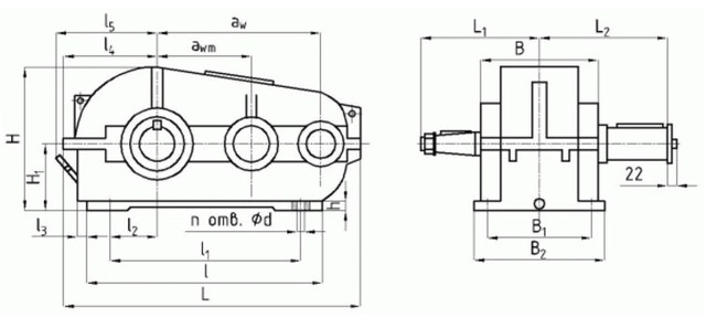
Редуктор промисловий, виготовлений у серії РМ, має дві ступені та здатний працювати в системах середньої потужності.
Промислові перетворювачі використовуються в якості механізму, що конвертує значення моменту кручення і швидкості обертання, що надходять на нього, що приходять від електричного двигуна.
Для підключення до редуктора відразу двох приладів контролю або виконавчих механізмів рекомендується вибирати варіант складання редуктора 23.
Якщо ви шукаєте, де купити редуктор високої якості, то рекомендуємо звернутися до менеджерів компанії «Промпривод», щоб дізнатися всю інформацію про можливості придбання та особливості експлуатації будь-якого загальнопромислового або спеціалізованого редуктора. Ми надаємо своїм клієнтам докладну консультативну допомогу, а також надаємо тривалу гарантію на всі перетворювачі, що діє протягом року.
Умовне позначення варіанта складання 23

Конструкція редуктора РМ

Основні технічні характеристики
| Типорозмір редуктора | Передавальне число u | Мт, Н·м | Маса редуктора, кг | Awc | AwT | AwБ |
| РМ-250 | 8, 10, 12.5, 16, 20, 22.4, 31.5, 40, 50 | 350 | 85 | 250 | 150 | 100 |
| РМ-350 | 800 | 145 | 350 | 200 | 150 | |
| РМ-400 | 2500 | 210 | 400 | 250 | 150 | |
| РМ-500 | 4900 | 390 | 500 | 300 | 200 | |
| РМ-650 | 9500 | 830 | 650 | 400 | 250 | |
| РМ-750 | 15000 | 1030 | 750 | 450 | 300 | |
| РМ-850 | 18800 | 1230 | 850 | 500 | 350 | |
| РМ-1000 | 28700 | 2130 | 1000 | 600 | 400 |
Приклад умовного позначення редуктора РМ
РМ-250-25-23-У3:
РМ – тип редуктора;
250 - сумарна міжосьова відстань, мм;
25 - передавальне число;
23 - тип складання;
У3 – кліматичне виконання.
Цилиндрические редукторы РМ сборки 23
Відгуків про цей товар ще не було.
Немає відгуків про цей товар, станьте першим, залиште свій відгук.
Немає питань про даний товар, станьте першим і задайте своє питання.