Циліндричні редуктори РМ складання 24
Редуктори типу РМ складання 24
Механічний промисловий редуктор РМ виготовляється для роботи при фрагментальному або постійному навантаженні за умов помірного або тропічного клімату. Він широко поширений для використання як частина приводної системи наступних видів: вантажні візки, підйомні лебідки, кранові приводи. Як мостових, так і козлових, транспортних ліній та ін.
З-за великого переліку способів використання ці редуктори мають чимало варіантів складання, що дозволяють їх використовувати для вирішення таких численних завдань. Для підключення відразу кількох виконавчих механізмів рекомендується вибирати редуктори складання 24.
Звертайтесь до менеджерів компанії «Промпривод», щоб купити промисловий редуктор за найнижчою в Україні ціною. Ми зобов'язуємося доставити товар у найкоротші терміни, адже маємо в наявності велике складське приміщення і більшість товарів, представлених на сайті, вже є на складі. Ми готові працювати із клієнтами з усіх населених пунктів країни, маючи лояльну програму знижок для оптових покупців.
Умовне позначення варіанта складання 24

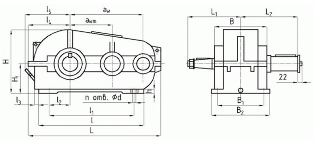
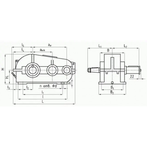
Конструкція редуктора РМ

Основні технічні характеристики
| Типорозмір редуктора | Передавальне число u | Мт, Н·м | Маса редуктора, кг | Awc | AwT | AwБ |
| РМ-250 | 8, 10, 12.5, 16, 20, 22.4, 31.5, 40, 50 | 350 | 85 | 250 | 150 | 100 |
| РМ-350 | 800 | 145 | 350 | 200 | 150 | |
| РМ-400 | 2500 | 210 | 400 | 250 | 150 | |
| РМ-500 | 4900 | 390 | 500 | 300 | 200 | |
| РМ-650 | 9500 | 830 | 650 | 400 | 250 | |
| РМ-750 | 15000 | 1030 | 750 | 450 | 300 | |
| РМ-850 | 18800 | 1230 | 850 | 500 | 350 | |
| РМ-1000 | 28700 | 2130 | 1000 | 600 | 400 |
Приклад умовного позначення редуктора РМ
РМ-250-25-24-У3:
РМ – тип редуктора;
250 - сумарна міжосьова відстань, мм;
25 - передавальне число;
24 - тип складання;
У3 – кліматичне виконання.
Цилиндрические редукторы РМ сборки 24
Відгуків про цей товар ще не було.
Немає відгуків про цей товар, станьте першим, залиште свій відгук.
Немає питань про даний товар, станьте першим і задайте своє питання.