Циліндричні редуктори РМ складання 25
Редуктори типу РМ складання 25
Редуктори промислові серії РМ відіграють роль перетворювачів механічних величин, що приходять на них, - моменту крутіння і швидкості обертання. Перетворювачі виготовляються у численних варіаціях.
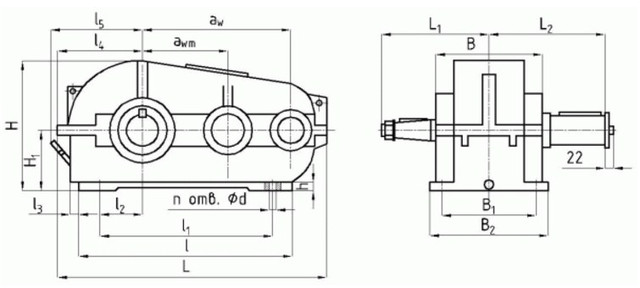
На ціну редуктора впливає безліч параметрів, що включають варіант складання. Відповідно до ГОСТ 20373-94 редуктор РМ може мати два вихідні кінця тихохідного валу, один з яких буде виконаний зменшеним, і один вихід валу швидкохідного. Це відповідає варіанту складання 25.
Якщо ви шукаєте де купити редуктор недорого, то сміливо телефонуйте менеджерам компанії «Промпривод», щоб ознайомитися з великим асортиментом промислових і вузькоспеціалізованих перетворювачів. У нашому каталозі товарів ви обов'язково знайдете те, що зможе задовольнити ваші конкретні запити. Якщо вам потрібен унікальний редуктор, створений за індивідуальними кресленнями, то ми можемо надати послугу індивідуального виробництва. Наші ціни – найкращі в Україні! Здійснюємо доставку товару до всіх куточків нашої держави.
Умовне позначення варіанта складання 25

Конструкція редуктора РМ

Основні технічні характеристики
| Типорозмір редуктора | Передавальне число u | Мт, Н·м | Маса редуктора, кг | Awc | AwT | AwБ |
| РМ-250 | 8, 10, 12.5, 16, 20, 22.4, 31.5, 40, 50 | 350 | 85 | 250 | 150 | 100 |
| РМ-350 | 800 | 145 | 350 | 200 | 150 | |
| РМ-400 | 2500 | 210 | 400 | 250 | 150 | |
| РМ-500 | 4900 | 390 | 500 | 300 | 200 | |
| РМ-650 | 9500 | 830 | 650 | 400 | 250 | |
| РМ-750 | 15000 | 1030 | 750 | 450 | 300 | |
| РМ-850 | 18800 | 1230 | 850 | 500 | 350 | |
| РМ-1000 | 28700 | 2130 | 1000 | 600 | 400 |
Приклад умовного позначення редуктора РМ
РМ-250-25-25-У3:
РМ – тип редуктора;
250 - сумарна міжосьова відстань, мм;
25 - передавальне число;
25 - тип складання;
У3 – кліматичне виконання.
Цилиндрические редукторы РМ сборки 25
Відгуків про цей товар ще не було.
Немає відгуків про цей товар, станьте першим, залиште свій відгук.
Немає питань про даний товар, станьте першим і задайте своє питання.