Циліндричні редуктори РМ складання 26
Редуктори типу РМ складання 26
Для конвертування механічних параметрів з виробництва використовується промисловий редуктор. У кранових приводах нерідко встановлюють редуктор РМ, що грає роль перетворювача моменту, що крутить, і швидкості обертання.
Залежно від специфіки застосування та експлуатаційних характеристик даний редуктор може бути складений у різних варіантах складання. Для підключення відразу кількох приладів або механізмів виконання, на які передається момент та швидкість, використовується варіант складання 26.
Ознайомитись з найширшим асортиментом перетворювальної техніки та комплектуючих до неї, а також замовити докладну консультацію щодо підбору редуктора, мотор-редукора та іншого механізму ви можете на сайті виробника «Промпривод». Ми працюємо із замовниками по всій Україні, доставляємо товари до будь-якого населеного пункту держави перевіреними транспортними компаніями. У нас ви зможете купити редуктор за найпривабливішою вартістю!
Умовне позначення варіанта складання 26

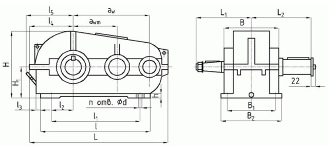
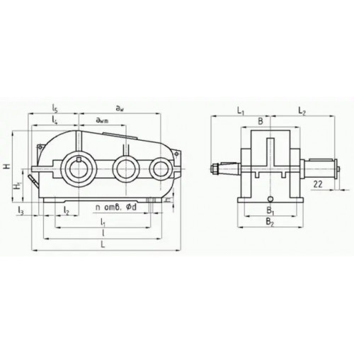
Конструкція редуктора РМ

Основні технічні характеристики
| Типорозмір редуктора | Передавальне число u | Мт, Н·м | Маса редуктора, кг | Awc | AwT | AwБ |
| РМ-250 | 8, 10, 12.5, 16, 20, 22.4, 31.5, 40, 50 | 350 | 85 | 250 | 150 | 100 |
| РМ-350 | 800 | 145 | 350 | 200 | 150 | |
| РМ-400 | 2500 | 210 | 400 | 250 | 150 | |
| РМ-500 | 4900 | 390 | 500 | 300 | 200 | |
| РМ-650 | 9500 | 830 | 650 | 400 | 250 | |
| РМ-750 | 15000 | 1030 | 750 | 450 | 300 | |
| РМ-850 | 18800 | 1230 | 850 | 500 | 350 | |
| РМ-1000 | 28700 | 2130 | 1000 | 600 | 400 |
Приклад умовного позначення редуктора РМ
РМ-250-25-26-У3:
РМ – тип редуктора;
250 - сумарна міжосьова відстань, мм;
25 - передавальне число;
26 - тип складання;
У3 – кліматичне виконання.
Цилиндрические редукторы РМ сборки 26
Відгуків про цей товар ще не було.
Немає відгуків про цей товар, станьте першим, залиште свій відгук.
Немає питань про даний товар, станьте першим і задайте своє питання.