Циліндричні редуктори РМ складання 32
Редуктори типу РМ складання 32
Редуктор промисловий серії РМ - це двоступінчастий перетворювач, що допомагає конвертувати величини, що приходять на нього, в необхідні для роботи системи.
Залежно від специфіки використання редуктор може бути складений в різних варіаціях, описаних в ГОСТ 20373-94.
При необхідності підключити відразу 2 електричних двигуна, слід вибрати варіант складання 32, який дозволяє це здійснити, а також приєднати один механізм, що приймає навантаження - виконавчий орган.
Придбати редуктори різної модифікації можна на сайті компанії «Промпривод». У нас ви знайдете великий асортимент перетворювальної загальнопромислової та спеціалізованої продукції, інформацію про яку вам дадуть менеджери нашої компанії в телефонному режимі або в онлайн-чаті. Телефонуйте нам, щоб купити редуктор на найвигідніших умовах.
Умовне позначення варіанта складання 32

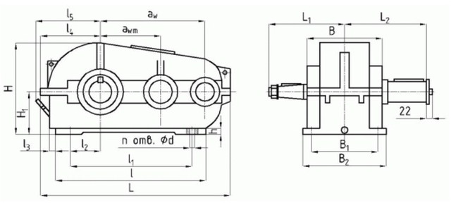
Конструкція редуктора РМ

Основні технічні характеристики
| Типорозмір редуктора | Передавальне число u | Мт, Н·м | Маса редуктора, кг | Awc | AwT | AwБ |
| РМ-250 | 8, 10, 12.5, 16, 20, 22.4, 31.5, 40, 50 | 350 | 85 | 250 | 150 | 100 |
| РМ-350 | 800 | 145 | 350 | 200 | 150 | |
| РМ-400 | 2500 | 210 | 400 | 250 | 150 | |
| РМ-500 | 4900 | 390 | 500 | 300 | 200 | |
| РМ-650 | 9500 | 830 | 650 | 400 | 250 | |
| РМ-750 | 15000 | 1030 | 750 | 450 | 300 | |
| РМ-850 | 18800 | 1230 | 850 | 500 | 350 | |
| РМ-1000 | 28700 | 2130 | 1000 | 600 | 400 |
Приклад умовного позначення редуктора РМ
РМ-250-25-32-У3:
РМ – тип редуктора;
250 - сумарна міжосьова відстань, мм;
25 - передавальне число;
32 - тип складання;
У3 – кліматичне виконання.
Цилиндрические редукторы РМ сборки 32
Відгуків про цей товар ще не було.
Немає відгуків про цей товар, станьте першим, залиште свій відгук.
Немає питань про даний товар, станьте першим і задайте своє питання.