Циліндричні редуктори РМ складання 34
Редуктори типу РМ складання 34
Горизонтальний промисловий редуктор серії РМ відноситься до механічних перетворювачів значень моменту, що надходять на них, і швидкості обертання валу, що потрібно для забезпечення оптимального робочого процесу.
Редуктори можуть варіюватися за варіантами складання, що визначають розташування і кількість вихідних кінців валів механізму. Ми пропонуємо вам купити редуктор варіанта складання 34 для підключення відразу 2 двигунів і 2 механізмів, що приймають обертання. Один із висновків тихохідного валу виконується у зменшених розмірах.
Ми зобов'язуємося надати вам коректно працюючий механізм, що має тривалу гарантію, що володіє всіма заявленими якостями. Здійснюємо доставку товару Україною перевіреними транспортними організаціями. Телефонуйте в компанію «Промпривод», щоб купити редуктор, мотор-редуктор та комплектуючі до них запчастини за доступною ціною.
Умовне позначення варіанта складання 34

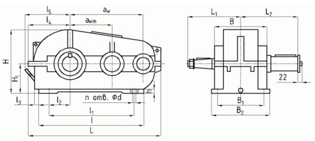
Конструкція редуктора РМ

Основні технічні характеристики
| Типорозмір редуктора | Передавальне число u | Мт, Н·м | Маса редуктора, кг | Awc | AwT | AwБ |
| РМ-250 | 8, 10, 12.5, 16, 20, 22.4, 31.5, 40, 50 | 350 | 85 | 250 | 150 | 100 |
| РМ-350 | 800 | 145 | 350 | 200 | 150 | |
| РМ-400 | 2500 | 210 | 400 | 250 | 150 | |
| РМ-500 | 4900 | 390 | 500 | 300 | 200 | |
| РМ-650 | 9500 | 830 | 650 | 400 | 250 | |
| РМ-750 | 15000 | 1030 | 750 | 450 | 300 | |
| РМ-850 | 18800 | 1230 | 850 | 500 | 350 | |
| РМ-1000 | 28700 | 2130 | 1000 | 600 | 400 |
Приклад умовного позначення редуктора РМ
РМ-250-25-34-У3:
РМ – тип редуктора;
250 - сумарна міжосьова відстань, мм;
25 - передавальне число;
34 - тип складання;
У3 – кліматичне виконання.
Цилиндрические редукторы РМ сборки 34
Відгуків про цей товар ще не було.
Немає відгуків про цей товар, станьте першим, залиште свій відгук.
Немає питань про даний товар, станьте першим і задайте своє питання.