Циліндричні редуктори РМ складання 35
Редуктори типу РМ складання 35
Механічний двоступінчастий редуктор загального промислового призначення РМ використовується як перетворювач величин, що приходять від двигуна.
Для кращого розподілу навантаження на пристрій можна використовувати одразу два джерела обертання валів – електричних двигунів.
Під'єднати їх до редуктора можна у відповідності з варіантом складання 35. Також даний спосіб складання редуктора дозволяє під'єднати 2 виконавчі пристрої. Один із кінців вихідного валу виконаний у зменшеному вигляді – полувал.
У каталозі промислових перетворювачів та інших агрегатів, які можна знайти на сайті компанії «Промпривод», ви знайдете той механізм, який зможе забезпечити правильність роботи конкретного технологічного процесу. Щоб купити редуктор в Україні, телефонуйте, або пишіть в онлайн-чат нашим компетентним менеджерам, які зможуть проконсультувати вас з будь-якого питання.
Умовне позначення варіанта складання 35

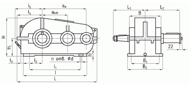
Конструкція редуктора РМ

Основні технічні характеристики
| Типорозмір редуктора | Передавальне число u | Мт, Н·м | Маса редуктора, кг | Awc | AwT | AwБ |
| РМ-250 | 8, 10, 12.5, 16, 20, 22.4, 31.5, 40, 50 | 350 | 85 | 250 | 150 | 100 |
| РМ-350 | 800 | 145 | 350 | 200 | 150 | |
| РМ-400 | 2500 | 210 | 400 | 250 | 150 | |
| РМ-500 | 4900 | 390 | 500 | 300 | 200 | |
| РМ-650 | 9500 | 830 | 650 | 400 | 250 | |
| РМ-750 | 15000 | 1030 | 750 | 450 | 300 | |
| РМ-850 | 18800 | 1230 | 850 | 500 | 350 | |
| РМ-1000 | 28700 | 2130 | 1000 | 600 | 400 |
Приклад умовного позначення редуктора РМ
РМ-250-25-35-У3:
РМ – тип редуктора;
250 - сумарна міжосьова відстань, мм;
25 - передавальне число;
35 - тип складання;
У3 – кліматичне виконання.
Цилиндрические редукторы РМ сборки 35
Відгуків про цей товар ще не було.
Немає відгуків про цей товар, станьте першим, залиште свій відгук.
Немає питань про даний товар, станьте першим і задайте своє питання.