Циліндричні редуктори РМ складання 36
Редуктори типу РМ складання 36
Редуктори РМ – це двоступінчасті циліндричні перетворювачі механічних величин. Залежно від варіанта складання можна варіювати просторовим розташуванням та формою кінців валів. Ми пропонуємо вам придбати редуктор РМ у варіанті складання 36, який характеризується присутністю відразу 4 виходів:
- 2 виведення тихохідного валу. Мають зменшені параметри для дотримання умов компактного складання агрегату.
- 2 виведення швидкохідного ступеня для приєднання відразу 2 двигунів.
Звертайтеся до менеджерів компанії «Промпривод», щоб дізнатися інформацію, необхідну для використання та придбання перетворювальної техніки. Ми працюємо як із одиничними замовленнями, так і з оптовими покупцями, маємо лояльну програму знижок для кожного з них. Телефонуйте або звертайтеся до фахівців в онлайн-чаті, щоб купити редуктор в Харкові, Києві та інших містах України за найнижчою ціною.
Умовне позначення варіанта складання 36

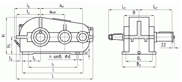
Конструкція редуктора РМ

Основні технічні характеристики
| Типорозмір редуктора | Передавальне число u | Мт, Н·м | Маса редуктора, кг | Awc | AwT | AwБ |
| РМ-250 | 8, 10, 12.5, 16, 20, 22.4, 31.5, 40, 50 | 350 | 85 | 250 | 150 | 100 |
| РМ-350 | 800 | 145 | 350 | 200 | 150 | |
| РМ-400 | 2500 | 210 | 400 | 250 | 150 | |
| РМ-500 | 4900 | 390 | 500 | 300 | 200 | |
| РМ-650 | 9500 | 830 | 650 | 400 | 250 | |
| РМ-750 | 15000 | 1030 | 750 | 450 | 300 | |
| РМ-850 | 18800 | 1230 | 850 | 500 | 350 | |
| РМ-1000 | 28700 | 2130 | 1000 | 600 | 400 |
Приклад умовного позначення редуктора РМ
РМ-250-25-36-У3:
РМ – тип редуктора;
250 - сумарна міжосьова відстань, мм;
25 - передавальне число;
36 - тип складання;
У3 – кліматичне виконання.
Цилиндрические редукторы РМ сборки 36
Відгуків про цей товар ще не було.
Немає відгуків про цей товар, станьте першим, залиште свій відгук.
Немає питань про даний товар, станьте першим і задайте своє питання.