Циліндричні редуктори Ц2 складання 11
Редуктори типу Ц2 складання 11
Одним з найбільш відомих і часто зустрічаються на виробництві та будівельної (вантажопідйомної) діяльності агрегатів – перетворювачів механічних величин стає редуктор серії Ц2. Відповідно до ГОСТ 20373-94 він може мати різні виконання по збиранню. Ми пропонуємо вам звернути увагу на можливість купівлі редуктора Ц2 складання 11. Даний варіант виконання відповідає односторонньому виходженню валів редуктора паралельно до основи.
Купуйте якісні перетворювачі та інші промислові механізми на сайті виробника компанії «Промпривод» за найнижчою ціною без переплат. Ми співпрацюємо з товарними компаніями по всій Україні та можемо відправити ваше замовлення у будь-яку точку нашої країни. У нас найввічливіше та компетентне обслуговування, а також трирічна гарантія на весь сертифікований товар.
Умовне позначення варіанта складання 11

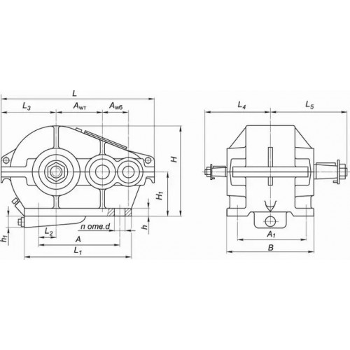
Конструкція редуктора Ц2

Основні технічні характеристики
| Найменування технічних характеристик | Типорозмір редуктора | |||||||
| Ц2-250 | Ц2-300 | Ц2-350 | Ц2-400 | Ц2-500 | Ц2-650 | Ц2-750 | Ц2-1000 | |
| Передавальні числа | 8; 10; 12,5; 16; 20; 25; 31,5; 40; 50 | |||||||
| Допустиме радіальне консольне навантаження на тихохідному валу | 6300 | 8000 | 10000 | 10000 | 14000 | 20000 | 32000 | 80000 |
| Номінальний момент, що крутить, на вихідному валу, Н.м. | 825 | 1180 | 1750 | 3350 | 5450 | 14500 | 23000 | 54000 |
| ККД | 0,96 | |||||||
| Маса, кг | 87 | 138 | 210 | 315 | 500 | 1100 | 1650 | 3700 |
Приклад умовного позначення
Ц2-250-20-11-У1:
Ц2 - тип редуктора;
250 - міжосьова відстань, мм;
20 - номінальне передавальне число;
11 - варіант складання;
У – кліматичне виконання;
1 – категорія розміщення.
Цилиндрические редукторы Ц2 сборки 11
Відгуків про цей товар ще не було.
Немає відгуків про цей товар, станьте першим, залиште свій відгук.
Немає питань про даний товар, станьте першим і задайте своє питання.