Циліндричні редуктори Ц2 складання 14
Редуктори типу Ц2 складання 14
Двоступінчасті циліндричні редуктори типу Ц2 використовуються як перетворювальний механізм, завдяки якому можна змінити значення крутного моменту на необхідній системі.
Редуктори можуть мати різні виконання. Механізми Ц2 варіанта складання 14 мають два кінці порожнього валу, що дозволяє підключати відразу два прилади управління або елемента приводу.
Купуйте якісні перетворювачі різного виконання та варіанта складання 14 у вітчизняного виробника компанії «Промпривод». Ми надаємо гарантію на перетворювачі – 12 місяців, можемо відправити ваше замовлення в будь-який населений пункт країни, а в момент покупки проконсультувати з будь-якого питання. У нас ви зможете купити редуктор за мінімальною вартістю та в повній відповідності до нормативної документації.
Умовне позначення варіанти складання 14

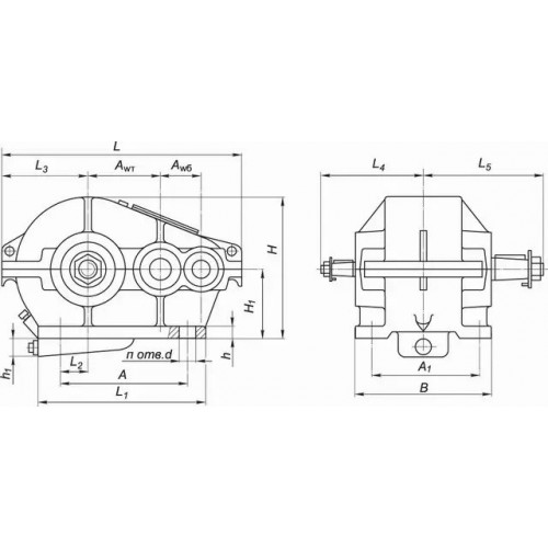
Конструкція редуктора Ц2

Основні технічні характеристики
| Найменування технічних характеристик | Типорозмір редуктора | |||||||
| Ц2-250 | Ц2-300 | Ц2-350 | Ц2-400 | Ц2-500 | Ц2-650 | Ц2-750 | Ц2-1000 | |
| Передавальні числа | 8; 10; 12,5; 16; 20; 25; 31,5; 40; 50 | |||||||
| Допустиме радіальне консольне навантаження на тихохідному валу, Н | 6300 | 8000 | 10000 | 10000 | 14000 | 20000 | 32000 | 80000 |
| Номінальний момент, що крутить, на вихідному валу, Н.м. | 825 | 1180 | 1750 | 3350 | 5450 | 14500 | 23000 | 54000 |
| ККД | 0,96 | |||||||
| Маса, кг | 87 | 138 | 210 | 315 | 500 | 1100 | 1650 | 3700 |
Приклад умовного позначення
Редуктор Ц2-250-20-14-У1:
Ц2 – тип редуктора;
250 - міжосьова відстань, мм;
20 - номінальне передавальне число;
14 - варіант складання;
У – кліматичне виконання;
1 – категорія розміщення.
Цилиндрические редукторы Ц2 сборки 14
Відгуків про цей товар ще не було.
Немає відгуків про цей товар, станьте першим, залиште свій відгук.
Немає питань про даний товар, станьте першим і задайте своє питання.