Циліндричні редуктори Ц2 складання 15
Редуктори типу Ц2 складання 15
Циліндричні двоступінчасті перетворювачі серії Ц2 можуть виконуватися у варіанті складання 15. Це складання передбачає наявність двох кінців тихохідного валу. Один з них служить для встановлення елемента приводу (напівмуфти, шестерні та ін.), другий – для зміцнення пристрою керування.
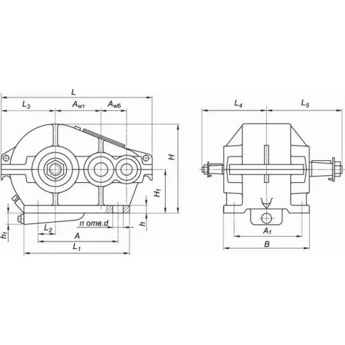
Вали перетворювача при даному складанні мають паралельне розташування. Графічне розташування, наведене нижче, дано у вигляді паралельної осям валів проекції на площину.
Ознайомтеся з багатим асортиментом перетворювачів загального та особливого призначення на сайті компанії «Промпривод». У нас ви знайдете і зможете купити редуктор варіанта складання 15 та інших за найнижчими цінами. Звертайтеся до нас, і ми надамо детальну консультацію з будь-якого питання, що вас цікавить. Замовлення надсилає провідними транспортними компаніями-компаньйонами України до будь-якої точки країни.
Умовне позначення варіанта складання 15

Конструкція редуктора Ц2

Основні технічні характеристики
| Найменування технічних характеристик | Типорозмір редуктора | |||||||
| Ц2-250 | Ц2-300 | Ц2-350 | Ц2-400 | Ц2-500 | Ц2-650 | Ц2-750 | Ц2-1000 | |
| Передавальні числа | 8; 10; 12,5; 16; 20; 25; 31,5; 40; 50 | |||||||
| Допустиме радіальне консольне навантаження на тихохідному валу, Н | 6300 | 8000 | 10000 | 10000 | 14000 | 20000 | 32000 | 80000 |
| Номінальний момент, що крутить, на вихідному валу, Н.м. | 825 | 1180 | 1750 | 3350 | 5450 | 14500 | 23000 | 54000 |
| ККД | 0,96 | |||||||
| Маса, кг | 87 | 138 | 210 | 315 | 500 | 1100 | 1650 | 3700 |
Приклад умовного позначення
Редуктор Ц2-250-20-15-У1:
Ц2 – тип редуктора;
250 - міжосьова відстань, мм;
20 - номінальне передавальне число;
15 - варіант складання;
У – кліматичне виконання;
1 – категорія розміщення.
Цилиндрические редукторы Ц2 сборки 15
Відгуків про цей товар ще не було.
Немає відгуків про цей товар, станьте першим, залиште свій відгук.
Немає питань про даний товар, станьте першим і задайте своє питання.