Циліндричні редуктори Ц2 складання 16
Редуктори типу Ц2 складання 16
Циліндричний двоступінчастий перетворювач Ц2 відноситься до механізмів, що служать для перетворення механічних величин необхідні для оптимізації робочого процесу. Редуктор зменшує значення кутової швидкості і збільшує момент, що крутить, передаючи їх елементам електричного приводу.
Підбір редукторів повинен спиратися на численні характеристики, однією з яких стає варіант складання. Складання 16 для редуктора Ц2 говорить про наявність двох кінців вихідного (тихохідного) валу. Порожнисті вали дозволяють зменшити вагу конструкції, не втрачаючи в показниках міцності і жорсткості зчеплення.
При необхідності придбати якісний перетворювач, який служитиме вам протягом довгих років, звертайтесь до компанії «Промпривод». У нас ви зможете купити редуктор, вибравши необхідний з величезного асортименту механізмів найвищої якості, виготовленим вітчизняним виробником у повній відповідності до всіх необхідних норм і стандартів. У нас можна знайти агрегати в різних варіантах збирання, типорозмірах та інших параметрах.
Умовне позначення варіанта складання 16

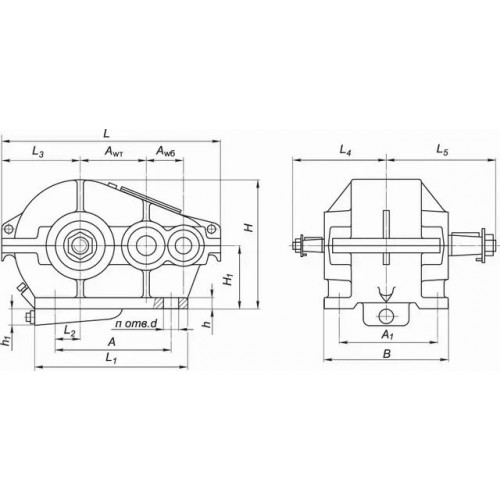
Конструкція редуктора Ц2

Основні технічні характеристики
| Найменування технічних характеристик | Типорозмір редуктора | |||||||
| Ц2-250 | Ц2-300 | Ц2-350 | Ц2-400 | Ц2-500 | Ц2-650 | Ц2-750 | Ц2-1000 | |
| Передавальні числа | 8; 10; 12,5; 16; 20; 25; 31,5; 40; 50 | |||||||
| Допустиме радіальне консольне навантаження на тихохідному валу, Н | 6300 | 8000 | 10000 | 10000 | 14000 | 20000 | 32000 | 80000 |
| Номінальний момент, що крутить, на вихідному валу, Н.м. | 825 | 1180 | 1750 | 3350 | 5450 | 14500 | 23000 | 54000 |
| ККД | 0,96 | |||||||
| Маса, кг | 87 | 138 | 210 | 315 | 500 | 1100 | 1650 | 3700 |
Приклад умовного позначення
Редуктор Ц2-250-20-16-У1:
Ц2 – тип редуктора;
250 - міжосьова відстань, мм;
20 - номінальне передатне число;
16 - варіант складання;
У – кліматичне виконання;
1 – категорія розміщення.
Цилиндрические редукторы Ц2 сборки 16
Відгуків про цей товар ще не було.
Немає відгуків про цей товар, станьте першим, залиште свій відгук.
Немає питань про даний товар, станьте першим і задайте своє питання.