Циліндричні редуктори Ц2 складання 21
Редуктори типу Ц2 складання 21
Перетворювач Ц2 – промисловий редуктор, призначений для зміни показників швидкості обертання тихохідного валу щодо швидкохідного. Редуктор має два ступені та відіграє роль механічного перетворювача частіше в приводах кранів.
Цей агрегат виробляється з посиленою тихохідною парою, завдяки чому краще витримує реверсивні режими. Редуктор Ц2 може бути складений у варіанті складання 21, схема якої представлена нижче.
У каталозі товарів, представлених на сайті компанії «Промпривод», ви можете знайти як загальнопромислові, так і спеціалізовані перетворювачі, а також комплектуючі та запчастини до них. Ви можете замовити дзвінок менеджера або скористатися послугою – написати нашим представникам у режимі онлайн-чату, щоб купити редуктор за найпривабливішою вартістю.
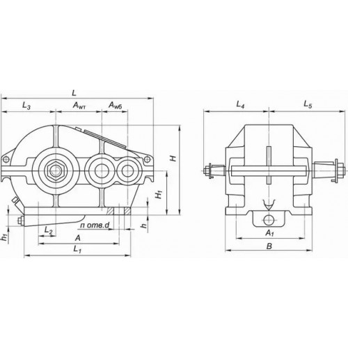
Умовне позначення варіанти складання 21

Конструкція редуктора Ц2

Основні технічні характеристики
| Найменування технічних характеристик | Типорозмір редуктора | |||||||
| Ц2-250 | Ц2-300 | Ц2-350 | Ц2-400 | Ц2-500 | Ц2-650 | Ц2-750 | Ц2-1000 | |
| Передавальні числа | 8; 10; 12,5; 16; 20; 25; 31,5; 40; 50 | |||||||
| Допустиме радіальне консольне навантаження на тихохідному валу, Н | 6300 | 8000 | 10000 | 10000 | 14000 | 20000 | 32000 | 80000 |
| Номінальний момент, що крутить, на вихідному валу, Н.м. | 825 | 1180 | 1750 | 3350 | 5450 | 14500 | 23000 | 54000 |
| ККД | 0,96 | |||||||
| Маса, кг | 87 | 138 | 210 | 315 | 500 | 1100 | 1650 | 3700 |
Приклад умовного позначення
Редуктор Ц2-250-20-21-У1:
Ц2 – тип редуктора;
250 - міжосьова відстань, мм;
20 - номінальне передавальне число;
21 - варіант складання;
У – кліматичне виконання;
1 – категорія розміщення.
Цилиндрические редукторы Ц2 сборки 21
Відгуків про цей товар ще не було.
Немає відгуків про цей товар, станьте першим, залиште свій відгук.
Немає питань про даний товар, станьте першим і задайте своє питання.