Циліндричні редуктори Ц2 складання 22
Редуктори типу Ц2 складання 22
Циліндричні двоступінчасті редуктори Ц2 промислового призначення використовуються як конвертер механічних величин, що надходить на них, з метою отримання необхідних системі значень.
Вони можуть бути встановлені в багатьох заводських та промислових приводах, тому складаются в різних варіантах складання. Складання 22 відповідає наявності двох виходів валів редуктора, розташованих по одну сторону.
У каталозі товарів, представленому на сайті компанії «Промпривод», ви знайдете всі найпопулярніші та найактуальніші моделі механічних перетворювачів, що використовуються у виробничих процесах. Звертайтесь до наших менеджерів, щоб купити редуктор недорого з можливістю доставки замовлення до будь-якого населеного пункту країни.
Умовне позначення варіанти складання 22

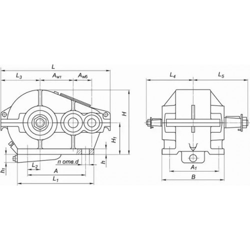
Конструкція редуктора Ц2

Основні технічні характеристики
| Найменування технічних характеристик | Типорозмір редуктора | |||||||
| Ц2-250 | Ц2-300 | Ц2-350 | Ц2-400 | Ц2-500 | Ц2-650 | Ц2-750 | Ц2-1000 | |
| Передавальні числа | 8; 10; 12,5; 16; 20; 25; 31,5; 40; 50 | |||||||
| Допустиме радіальне консольне навантаження на тихохідному валу, Н | 6300 | 8000 | 10000 | 10000 | 14000 | 20000 | 32000 | 80000 |
| Номінальний момент, що крутить, на вихідному валу, Н.м. | 825 | 1180 | 1750 | 3350 | 5450 | 14500 | 23000 | 54000 |
| ККД | 0,96 | |||||||
| Маса, кг | 87 | 138 | 210 | 315 | 500 | 1100 | 1650 | 3700 |
Приклад умовного позначення
Редуктор Ц2-250-20-22-У1:
Ц2 – тип редуктора;
250 - міжосьова відстань, мм;
20 - номінальне передатне число;
22 - варіант складання;
У – кліматичне виконання;
1 – категорія розміщення.
Цилиндрические редукторы Ц2 сборки 22
Відгуків про цей товар ще не було.
Немає відгуків про цей товар, станьте першим, залиште свій відгук.
Немає питань про даний товар, станьте першим і задайте своє питання.