Циліндричні редуктори Ц2 складання 24
Редуктори типу Ц2 складання 24
Циліндричні загальнопромислові редуктори серії Ц2 відносяться до багатофункціональних пристроїв, що використовуються для конвертування швидкості обертання і моменту, що крутить, до оптимальних значень і передачі їх виконавчому механізму.
Відповідно до варіанта складання 24, редуктор промисловий Ц2 може мати відразу два виходи тихохідного валу, що використовується для підключення кількох механізмів або контрольних приладів.
Звертайтесь до менеджерів компанії «Промпривод», щоб купити промисловий редуктор за найнижчою в Україні ціною. Ми зобов'язуємося доставити товар у найкоротші терміни, адже маємо в наявності велике складське приміщення і більшість товарів, представлених на сайті, вже є на складі. Ми готові працювати із клієнтами з усіх населених пунктів країни, маючи лояльну програму знижок для оптових покупців.
Умовне позначення варіанти складання 24

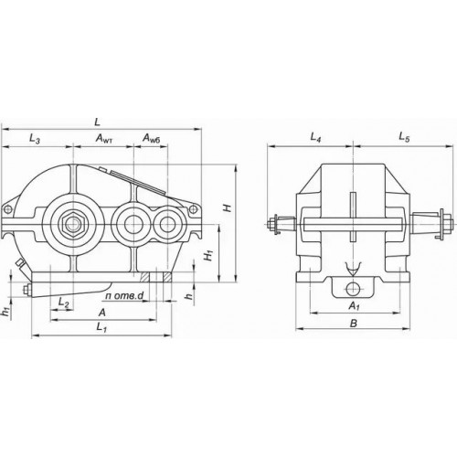
Конструкція редуктора Ц2

Основні технічні характеристики
| Найменування технічних характеристик | Типорозмір редуктора | |||||||
| Ц2-250 | Ц2-300 | Ц2-350 | Ц2-400 | Ц2-500 | Ц2-650 | Ц2-750 | Ц2-1000 | |
| Передавальні числа | 8; 10; 12,5; 16; 20; 25; 31,5; 40; 50 | |||||||
| Допустиме радіальне консольне навантаження на тихохідному валу, Н | 6300 | 8000 | 10000 | 10000 | 14000 | 20000 | 32000 | 80000 |
| Номінальний момент, що крутить, на вихідному валу, Н.м. | 825 | 1180 | 1750 | 3350 | 5450 | 14500 | 23000 | 54000 |
| ККД | 0,96 | |||||||
| Маса, кг | 87 | 138 | 210 | 315 | 500 | 1100 | 1650 | 3700 |
Приклад умовного позначення
Редуктор Ц2-250-20-24-У1:
Ц2 – тип редуктора;
250 - міжосьова відстань, мм;
20 - номінальне передавальне число;
24 - варіант складання;
У – кліматичне виконання;
1 – категорія розміщення.
Цилиндрические редукторы Ц2 сборки 24
Відгуків про цей товар ще не було.
Немає відгуків про цей товар, станьте першим, залиште свій відгук.
Немає питань про даний товар, станьте першим і задайте своє питання.