Циліндричні редуктори Ц2 складання 33
Редуктори типу Ц2 складання 33
Циліндричний редуктор з двома ступенями Ц2 використовується як промисловий перетворювач, що конвертує значення моменту і швидкості, що приходять на нього, в оптимальні.
Він може бути складений за ГОСТ 20373-94 у варіанті складання 33, що дає право підключати до нього відразу 2 двигуни та 2 виконавчі органи. З цього випливає, що один перетворювач дозволяє рухати відразу кілька механізмів.
Здійснити раціональну покупку та підібрати найбільш підходящий промисловий редуктор вам допоможуть компетентні менеджери компанії «Промпривод». Щоб купити редуктор сміливо телефонуйте за телефонами, вказаними на сайті, та купуйте високоякісне виробниче обладнання за мінімальною вартістю! Для постійних клієнтів та оптових покупців діє гнучка система знижок. Гарантія якості на обладнання 12 місяців з моменту придбання.
Умовне позначення варіанта складання 33

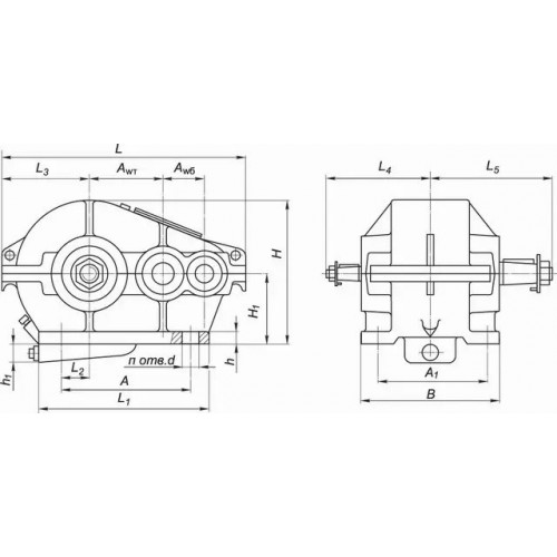
Конструкція редуктора Ц2

Основні технічні характеристики
| Найменування технічних характеристик | Типорозмір редуктора | |||||||
| Ц2-250 | Ц2-300 | Ц2-350 | Ц2-400 | Ц2-500 | Ц2-650 | Ц2-750 | Ц2-1000 | |
| Передавальні числа | 8; 10; 12,5; 16; 20; 25; 31,5; 40; 50 | |||||||
| Допустиме радіальне консольне навантаження на тихохідному валу, Н | 6300 | 8000 | 10000 | 10000 | 14000 | 20000 | 32000 | 80000 |
| Номінальний момент, що крутить, на вихідному валу, Н.м. | 825 | 1180 | 1750 | 3350 | 5450 | 14500 | 23000 | 54000 |
| ККД | 0,96 | |||||||
| Маса, кг | 87 | 138 | 210 | 315 | 500 | 1100 | 1650 | 3700 |
Приклад умовного позначення
Редуктор Ц2-250-20-33-У1:
Ц2 – тип редуктора;
250 - міжосьова відстань, мм;
20 - номінальне передавальне число;
33 - варіант складання;
У – кліматичне виконання;
1 – категорія розміщення.
Цилиндрические редукторы Ц2 сборки 33
Відгуків про цей товар ще не було.
Немає відгуків про цей товар, станьте першим, залиште свій відгук.
Немає питань про даний товар, станьте першим і задайте своє питання.