Циліндричні редуктори Ц2 складання 34
Редуктори типу Ц2 складання 34
Багатоцільові промислові редуктори типу Ц2 використовуються для перетворення механічних величин, що приходять на них від двигуна, таких як швидкість обертання валу і момент кручення, в допустимі для оптимального функціонування всього агрегату.
Відповідно до варіанта складання 34, описаному в ГОСТ 20373-94, є можливість приєднання пари електричних перетворювачів і двох виконавчих механізмів. Один вихід тихохідного валу вкорочений для компактного розміщення обладнання.
Ми зобов'язуємося надати вам коректно працюючий механізм, що має тривалу гарантію, що володіє всіма заявленими якостями. Здійснюємо доставку товару Україною перевіреними транспортними організаціями. Телефонуйте в компанію «Промпривод», щоб купити редуктор, мотор-редуктор та комплектуючі до них запчастини за доступною ціною.
Умовне позначення варіанта складання 34

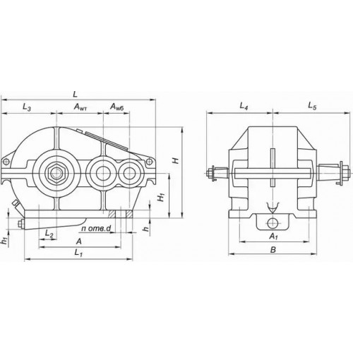
Конструкція редуктора Ц2

Основні технічні характеристики
| Найменування технічних характеристик | Типорозмір редуктора | |||||||
| Ц2-250 | Ц2-300 | Ц2-350 | Ц2-400 | Ц2-500 | Ц2-650 | Ц2-750 | Ц2-1000 | |
| Передавальні числа | 8; 10; 12,5; 16; 20; 25; 31,5; 40; 50 | |||||||
| Допустиме радіальне консольне навантаження на тихохідному валу, Н | 6300 | 8000 | 10000 | 10000 | 14000 | 20000 | 32000 | 80000 |
| Номінальний момент, що крутить, на вихідному валу, Н.м. | 825 | 1180 | 1750 | 3350 | 5450 | 14500 | 23000 | 54000 |
| ККД | 0,96 | |||||||
| Маса, кг | 87 | 138 | 210 | 315 | 500 | 1100 | 1650 | 3700 |
Приклад умовного позначення
Редуктор Ц2-250-20-34-У1:
Ц2 – тип редуктора;
250 - міжосьова відстань, мм;
20 - номінальне передавальне число;
34 - варіант складання;
У – кліматичне виконання;
1 – категорія розміщення.
Цилиндрические редукторы Ц2 сборки 34
Відгуків про цей товар ще не було.
Немає відгуків про цей товар, станьте першим, залиште свій відгук.
Немає питань про даний товар, станьте першим і задайте своє питання.