Циліндричні редуктори Ц2 складання 35
Редуктори типу Ц2 складання 35
Двоступінчасті редуктори Ц2 загального промислового призначення використовуються як конвектор механічних величин для передачі їх виконавчому механізму відповідно до оптимальних параметрів технологічного процесу.
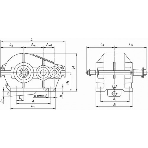
Варіант складання редуктора 35 означає наявність 4 висновків, один з яких (виведення тихохідного валу) укорочений і називається напіввалом. Такий спосіб складання дозволяє з'єднувати пристрій відразу з двома двигунами і підключати до двох виконавчих механізмів.
У каталозі промислових перетворювачів та інших агрегатів, які можна знайти на сайті компанії «Промпривод», ви знайдете той механізм, який зможе забезпечити правильність роботи конкретного технологічного процесу. Щоб купити редуктор в Україні, телефонуйте, або пишіть в онлайн-чат нашим компетентним менеджерам, які зможуть проконсультувати вас з будь-якого питання.
Умовне позначення варіанта складання 35

Конструкція редуктора Ц2

Основні технічні характеристики
| Найменування технічних характеристик | Типорозмір редуктора | |||||||
| Ц2-250 | Ц2-300 | Ц2-350 | Ц2-400 | Ц2-500 | Ц2-650 | Ц2-750 | Ц2-1000 | |
| Передавальні числа | 8; 10; 12,5; 16; 20; 25; 31,5; 40; 50 | |||||||
| Допустиме радіальне консольне навантаження на тихохідному валу, Н | 6300 | 8000 | 10000 | 10000 | 14000 | 20000 | 32000 | 80000 |
| Номінальний момент, що крутить, на вихідному валу, Н.м. | 825 | 1180 | 1750 | 3350 | 5450 | 14500 | 23000 | 54000 |
| ККД | 0,96 | |||||||
| Маса, кг | 87 | 138 | 210 | 315 | 500 | 1100 | 1650 | 3700 |
Приклад умовного позначення
Редуктор Ц2-250-20-35-У1:
Ц2 – тип редуктора;
250 - міжосьова відстань, мм;
20 - номінальне передавальне число;
35 - варіант складання;
У – кліматичне виконання;
1 – категорія розміщення.
Цилиндрические редукторы Ц2 сборки 35
Відгуків про цей товар ще не було.
Немає відгуків про цей товар, станьте першим, залиште свій відгук.
Немає питань про даний товар, станьте першим і задайте своє питання.