Циліндричні редуктори Ц2 складання 36
Редуктори типу Ц2 складання 36
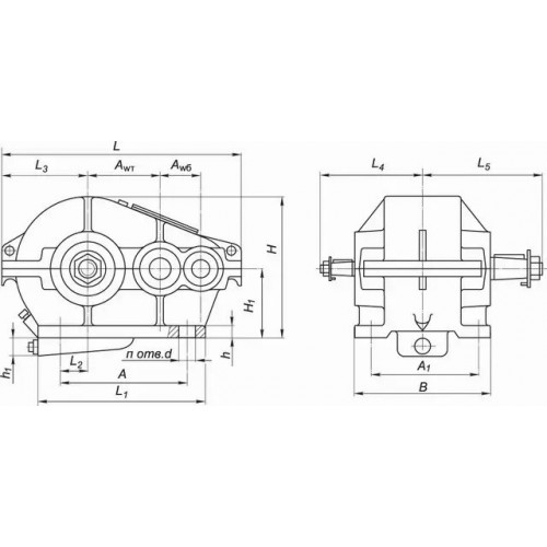
Промислові редуктори Ц2 мають посилену тихохідну пару, завдяки чому відрізняються особливою стійкістю до зношування. Вони використовуються повсюдно, де потрібне перетворення моменту крутіння та швидкості обертання до необхідних системі значень. Згідно з ГОСТ 20373-94 дані редуктори можуть бути складені у варіанті складання 36 і мати 4 виходи валів: 2 тихохідного (полували) і 2 швидкохідного.
Звертайтеся до менеджерів компанії «Промпривод», щоб дізнатися інформацію, необхідну для використання та придбання перетворювальної техніки. Ми працюємо як із одиничними замовленнями, так і з оптовими покупцями, маємо лояльну програму знижок для кожного з них. Телефонуйте або звертайтеся до фахівців в онлайн-чаті, щоб купити редуктор в Харкові, Києві та інших містах України за найнижчою ціною.
Умовне позначення варіанта складання 36

Конструкція редуктора Ц2

Основні технічні характеристики
| Найменування технічних характеристик | Типорозмір редуктора | |||||||
| Ц2-250 | Ц2-300 | Ц2-350 | Ц2-400 | Ц2-500 | Ц2-650 | Ц2-750 | Ц2-1000 | |
| Передавальні числа | 8; 10; 12,5; 16; 20; 25; 31,5; 40; 50 | |||||||
| Допустиме радіальне консольне навантаження на тихохідному валу, Н | 6300 | 8000 | 10000 | 10000 | 14000 | 20000 | 32000 | 80000 |
| Номінальний момент, що крутить, на вихідному валу, Н.м. | 825 | 1180 | 1750 | 3350 | 5450 | 14500 | 23000 | 54000 |
| ККД | 0,96 | |||||||
| Маса, кг | 87 | 138 | 210 | 315 | 500 | 1100 | 1650 | 3700 |
Приклад умовного позначення
Редуктор Ц2-250-20-36-У1:
Ц2 - тип редуктора;
250 - міжосьова відстань, мм;
20 - номінальне передавальне число;
36 - варіант складання;
У - кліматичне виконання;
1 - категорія розміщення.
Цилиндрические редукторы Ц2 сборки 36
Відгуків про цей товар ще не було.
Немає відгуків про цей товар, станьте першим, залиште свій відгук.
Немає питань про даний товар, станьте першим і задайте своє питання.