Циліндричні редуктори Ц2 складання 23
Редуктори типу Ц2 складання 23
Промисловий редуктор Ц2 є багатоцільовим механізмом, використовуваним у конструкціях, що вимагають перетворення величин, які надходять на них, на оптимальні значення. Редуктори цього типу встановлюються як частина приводу крана або конвеєрної стрічки, а також для вирішення інших виробничих питань.
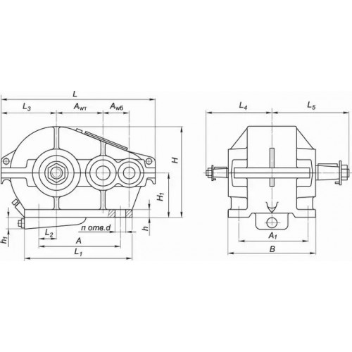
Якщо редуктор відповідає варіанту складання 23, він має два виходу тихохідного валу і один – швидкохідного. Таке виконання дозволяє використовувати редуктор одразу для кількох виконавчих механізмів або підключати декілька контролюючих приладів.
Якщо ви шукаєте, де купити редуктор високої якості, то рекомендуємо звернутися до менеджерів компанії «Промпривод», щоб дізнатися всю інформацію про можливості придбання та особливості експлуатації будь-якого загальнопромислового або спеціалізованого редуктора. Ми надаємо своїм клієнтам докладну консультативну допомогу, а також надаємо тривалу гарантію на всі перетворювачі, що діє протягом року.
Умовне позначення варіанти складання 23

Конструкція редуктора Ц2

Основні технічні характеристики
| Найменування технічних характеристик | Типорозмір редуктора | |||||||
| Ц2-250 | Ц2-300 | Ц2-350 | Ц2-400 | Ц2-500 | Ц2-650 | Ц2-750 | Ц2-1000 | |
| Передавальні числа | 8; 10; 12,5; 16; 20; 25; 31,5; 40; 50 | |||||||
| Допустиме радіальне консольне навантаження на тихохідному валу, Н | 6300 | 8000 | 10000 | 10000 | 14000 | 20000 | 32000 | 80000 |
| Номінальний крутний момент на вихідному валу, Н.м | 825 | 1180 | 1750 | 3350 | 5450 | 14500 | 23000 | 54000 |
| ККД | 0,96 | |||||||
| Маса, кг | 87 | 138 | 210 | 315 | 500 | 1100 | 1650 | 3700 |
Приклад умовного позначення
Редуктор Ц2-250-20-23-У1:
Ц2 – тип редуктора;
250 - міжосьова відстань, мм;
20 - номінальне передавальне число;
23 - варіант складання;
У – кліматичне виконання;
1 – категорія розміщення.
Цилиндрические редукторы Ц2 сборки 23
Відгуків про цей товар ще не було.
Немає відгуків про цей товар, станьте першим, залиште свій відгук.
Немає питань про даний товар, станьте першим і задайте своє питання.