Циліндричні редуктори Ц2 складання 31
Редуктори типу Ц2 складання 31
Зубчасті двоступінчасті циліндричні редуктори загального призначення Ц2 використовуються як частина приводної системи, що виконує перетворювальну функцію.
Вони мають посилену тихохідну пару, завдяки чому стійкі до зношування і часто використовуються для суміщення з потужними двигунами.
Для підключення до редуктора відразу двох джерел руху використовується варіант складання 31 та інші, у яких передбачено наявність двох кінців швидкохідного валу.
Більший перелік продукції загального промислового призначення, а також спеціалізованої техніки та комплектуючого обладнання до них можна знайти на сайті виробника «Промпривод». У нас завжди хороші ціни та лояльна програма знижок для оптових клієнтів. Звертайтесь до наших менеджерів, щоб купити редуктори недорого та з можливістю їх доставки по всій Україні.
Умовне позначення варіанта складання 31

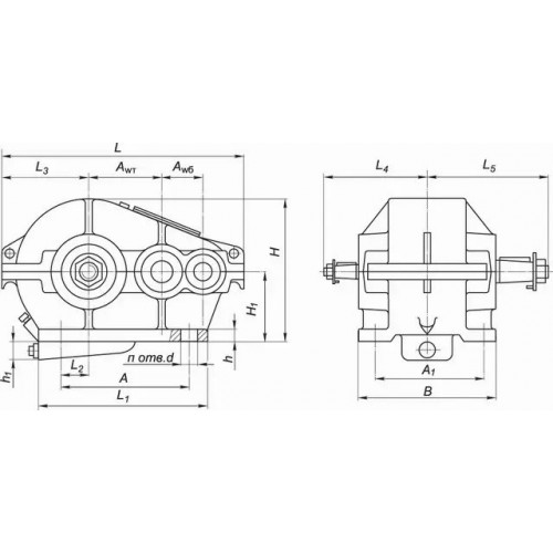
Конструкція редуктора Ц2

Основні технічні характеристики
| Найменування технічних характеристик | Типорозмір редуктора | |||||||
| Ц2-250 | Ц2-300 | Ц2-350 | Ц2-400 | Ц2-500 | Ц2-650 | Ц2-750 | Ц2-1000 | |
| Передавальні числа | 8; 10; 12,5; 16; 20; 25; 31,5; 40; 50 | |||||||
| Допустиме радіальне консольне навантаження на тихохідному валу, Н | 6300 | 8000 | 10000 | 10000 | 14000 | 20000 | 32000 | 80000 |
| Номінальний момент, що крутить, на вихідному валу, Н.м. | 825 | 1180 | 1750 | 3350 | 5450 | 14500 | 23000 | 54000 |
| ККД | 0,96 | |||||||
| Маса, кг | 87 | 138 | 210 | 315 | 500 | 1100 | 1650 | 3700 |
Приклад умовного позначення
Редуктор Ц2-250-20-31-У1:
Ц2 – тип редуктора;
250 - міжосьова відстань, мм;
20 - номінальне передавальне число;
31 - варіант складання;
У - кліматичне виконання;
1 - категорія розміщення.
Цилиндрические редукторы Ц2 сборки 31
Відгуків про цей товар ще не було.
Немає відгуків про цей товар, станьте першим, залиште свій відгук.
Немає питань про даний товар, станьте першим і задайте своє питання.