Циліндричні редуктори Ц2У складання 25
Редуктори типу Ц2У складання 25
Вузький циліндричний редуктор промислового призначення серії Ц2У використовується як перетворювальний механізм, що знижує швидкість обертання, що надходить від електричного двигуна.
Редуктор може бути використаний для підключення одночасно кількох виконавчих органів. Для цього слід використовувати перетворювачі, складені відповідно до ГОСТ 20373-94 у варіанті складання 25.
Якщо ви шукаєте де купити редуктор недорого, то сміливо телефонуйте менеджерам компанії «Промпривод», щоб ознайомитися з великим асортиментом промислових і вузькоспеціалізованих перетворювачів. У нашому каталозі товарів ви обов'язково знайдете те, що зможе задовольнити ваші конкретні запити. Якщо вам потрібен унікальний редуктор, створений за індивідуальними кресленнями, то ми можемо надати послугу індивідуального виробництва. Наші ціни – найкращі в Україні! Здійснюємо доставку товару до всіх куточків нашої держави.
Умовне позначення варіанта складання 25

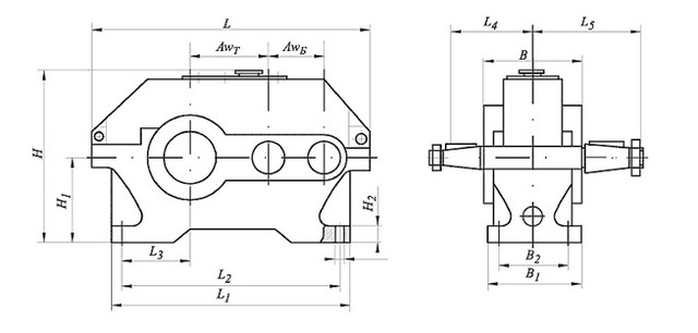
Конструкція редуктора Ц2У

Основні технічні характеристики
| Найменування технічних характеристик | Типорозмір редуктора | |||||
| Ц2У-100 | Ц2У-125 | Ц2У-160 | Ц2У-200 | Ц2У-250 | ||
| Передавальні числа | 8; 10; 12,5; 16; 20; 25; 31,5; 40 | |||||
| Допустиме радіальне консольне | на швидкохідному валу | 500 | 750 | 1000 | 2240 | 3150 |
| на тихохідному валу | 4500 | 6300 | 9000 | 12500 | 18000 | |
| Номінальний момент, що крутить, на тихохідному валу, Н.м. | 315 | 630 | 1250 | 2500 | 5000 | |
| ККД | 0,97 | |||||
| Маса, кг | 20 | 32 | 95 | 170 | 320 | |
Умовне позначення редуктора
Ц2У-250-31,5-25-У3:
Ц2У – тип редуктора;
250 - міжосьова відстань тихохідного ступеня, мм;
31,5 – передавальне число;
25 - схема складання;
У3 - кліматичне виконання та категорія розміщення за ГОСТ 15150-69.
Цилиндрические редукторы Ц2У сборки 25
Відгуків про цей товар ще не було.
Немає відгуків про цей товар, станьте першим, залиште свій відгук.
Немає питань про даний товар, станьте першим і задайте своє питання.