Циліндричні редуктори Ц2У складання 26
Редуктори типу Ц2У складання 26
Вузькі редуктори типу Ц2У мають зменшені масогабаритні показники, за рахунок чого їх установка дозволяє створювати компактні приводні системи.
Для підключення до такого промислового редуктора відразу двох виконавчих приладів або механізмів контролю над процесами слід скористатися варіантом складання 26. Він описаний у ГОСТ 20373-94 і має наступні характеристики:
- Один повноцінний кінець швидкохідного валу для підключення електричного двигуна.
- Два повільно обертових напіввалу для компактної установки кількох приладів або механізмів.
Ознайомитись з найширшим асортиментом перетворювальної техніки та комплектуючих до неї, а також замовити докладну консультацію щодо підбору редуктора, мотор-редукора та іншого механізму ви можете на сайті виробника «Промпривод». Ми працюємо із замовниками по всій Україні, доставляємо товари до будь-якого населеного пункту держави перевіреними транспортними компаніями. У нас ви зможете купити редуктор за найпривабливішою вартістю!
Умовне позначення варіанта складання 26

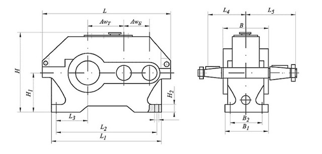
Конструкція редуктора Ц2У

Основні технічні характеристики
| Найменування технічних характеристик | Типорозмір редуктора | |||||
| Ц2У-100 | Ц2У-125 | Ц2У-160 | Ц2У-200 | Ц2У-250 | ||
| Передавальні числа | 8; 10; 12,5; 16; 20; 25; 31,5; 40 | |||||
| Допустиме радіальне консольне | на швидкохідному валу | 500 | 750 | 1000 | 2240 | 3150 |
| на тихохідному валу | 4500 | 6300 | 9000 | 12500 | 18000 | |
| Номінальний момент, що крутить, на тихохідному валу, Н.м. | 315 | 630 | 1250 | 2500 | 5000 | |
| ККД | 0,97 | |||||
| Маса, кг | 20 | 32 | 95 | 170 | 320 | |
Умовне позначення редуктора
Ц2У-250-31,5-26-У3:
Ц2У – тип редуктора;
250 - міжосьова відстань тихохідного ступеня, мм;
31,5 – передавальне число;
26 - схема складання;
У3 - кліматичне виконання та категорія розміщення за ГОСТ 15150-69.
Цилиндрические редукторы Ц2У сборки 26
Відгуків про цей товар ще не було.
Немає відгуків про цей товар, станьте першим, залиште свій відгук.
Немає питань про даний товар, станьте першим і задайте своє питання.