Циліндричні редуктори Ц2У складання 13
Редуктори типу Ц2У складання 13
Редуктори типу Ц2У відносяться до загальнопромислових демультиплікаторів, тобто таких пристроїв, які зменшують значення величин, що надходять на нього, в даному випадку - кутовий швидкості обертання валів. Це впливає на момент обертання, який зазнає збільшення та передається виконавчому механізму.
Відповідно до ГОСТ 20373-94 редуктори Ц2У можуть бути виготовлені у варіанті складання 13. Таке виконання передбачає наявність двох кінців тихохідного валу.
Отримайте детальну інформацію про будь-який цікавий для вас редуктор або варіант його складання 13 у менеджерів компанії «Промпривод». У нас ви зможете купити редуктор за найбільш вигідною ціною та з можливістю доставки до будь-якого населеного пункту країни з наданням необхідної документації, що доводить справність та відповідність стандарту кожного придбаного у нас перетворювача, запчастин до нього чи іншого обладнання.
Умовне позначення варіанта складання 13

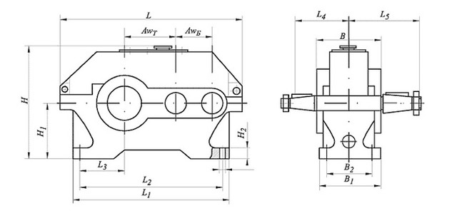
Конструкція редуктора Ц2У

Основні технічні характеристики
| Найменування технічних характеристик | Типорозмір редуктора | |||||
| Ц2У-100 | Ц2У-125 | Ц2У-160 | Ц2У-200 | Ц2У-250 | ||
| Передавальні числа | 8; 10; 12,5; 16; 20; 25; 31,5; 40 | |||||
| Допустиме радіальне консольне | на швидкохідному валу | 500 | 750 | 1000 | 2240 | 3150 |
| на тихохідному валу | 4500 | 6300 | 9000 | 12500 | 18000 | |
| Номінальний момент, що крутить, на тихохідному валу, Н.м. | 315 | 630 | 1250 | 2500 | 5000 | |
| ККД | 0,97 | |||||
| Маса, кг | 20 | 32 | 95 | 170 | 320 | |
Умовне позначення редуктора
Ц2У-250-31,5-13-У3:
Ц2У – тип редуктора;
250 - міжосьова відстань тихохідного ступеня, мм;
31,5 – передавальне число;
13 – схема складання;
У3 – кліматичне виконання і категорія розміщення за ГОСТ 15150-69.
Цилиндрические редукторы Ц2У сборки 13
Відгуків про цей товар ще не було.
Немає відгуків про цей товар, станьте першим, залиште свій відгук.
Немає питань про даний товар, станьте першим і задайте своє питання.