Циліндричні редуктори Ц2У складання 36
Редуктори типу Ц2У складання 36
Двоступінчасті циліндричні редуктори Ц2У виготовляються із зменшеними масогабаритними показниками. Для підключення до цього перетворювача джерела, що передає системі механічні величини – швидкість обертання та момент кручення, використовується певний варіант складання.
При необхідності під'єднати до редуктора відразу 2 двигуна, рекомендується вибирати варіант складання 36. Відповідно до даної варіації редуктор має також 2 напіввалу тихохідного ступеня, завдяки яким можна приєднати виконавчі пристрої.
Звертайтеся до менеджерів компанії «Промпривод», щоб дізнатися інформацію, необхідну для використання та придбання перетворювальної техніки. Ми працюємо як із одиничними замовленнями, так і з оптовими покупцями, маємо лояльну програму знижок для кожного з них. Телефонуйте або звертайтеся до фахівців в онлайн-чаті, щоб купити редуктор в Харкові, Києві та інших містах України за найнижчою ціною.
Умовне позначення варіанта складання 36

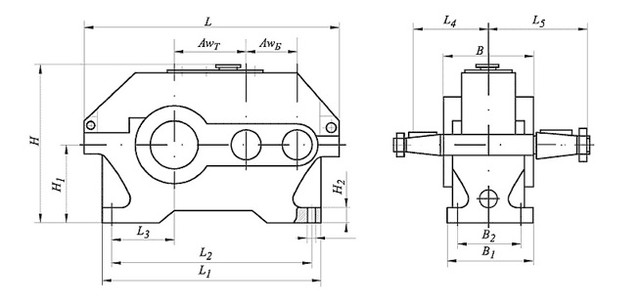
Конструкція редуктора Ц2У

Основні технічні характеристики
| Найменування технічних характеристик | Типорозмір редуктора | |||||
| Ц2У-100 | Ц2У-125 | Ц2У-160 | Ц2У-200 | Ц2У-250 | ||
| Передавальні числа | 8; 10; 12,5; 16; 20; 25; 31,5; 40 | |||||
| Допустиме радіальне консольне | на швидкохідному валу | 500 | 750 | 1000 | 2240 | 3150 |
| на тихохідному валу | 4500 | 6300 | 9000 | 12500 | 18000 | |
| Номінальний момент, що крутить, на тихохідному валу, Н.м. | 315 | 630 | 1250 | 2500 | 5000 | |
| ККД | 0,97 | |||||
| Маса, кг | 20 | 32 | 95 | 170 | 320 | |
Умовне позначення редуктора
Ц2У-250-31,5-36-У3:
Ц2У - тип редуктора;
250 - міжосьова відстань тихохідного ступеня, мм;
31,5 - передавальне число;
36 - схема складання;
У3 - кліматичне виконання та категорія розміщення за ГОСТ 15150-69.
Цилиндрические редукторы Ц2У сборки 36
Відгуків про цей товар ще не було.
Немає відгуків про цей товар, станьте першим, залиште свій відгук.
Немає питань про даний товар, станьте першим і задайте своє питання.