Циліндричні редуктори ЦТНД складання 14
Редуктори типу ЦТНД складання 14
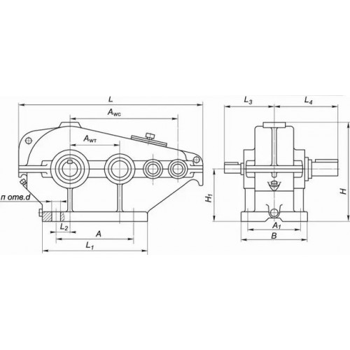
Циліндричні триступінчасті редуктори типу ЦТНД встановлюються для роботи в потужних системах і приводах як перетворювач механічних величин, що надходять на нього, в раціональні для роботи системи. Перетворювачі цього типу можуть мати різні варіанти складання. Одним з найбільш поширених є складання 14, за яким редуктор має відразу два кінці тихохідного валу. це дозволяє встановлювати відразу два виконавчі або керуючі пристрої.
Купуйте якісні перетворювачі різного виконання та варіанта складання 14 у вітчизняного виробника компанії «Промпривод». Ми надаємо гарантію на перетворювачі – 12 місяців, можемо відправити ваше замовлення в будь-який населений пункт країни, а в момент покупки проконсультувати з будь-якого питання. У нас ви зможете купити редуктор за мінімальною вартістю та в повній відповідності до нормативної документації.
Умовне позначення варіанти складання 14

Конструкція редуктора ЦТНД

Основні технічні характеристики
| Найменування технічних характеристик | Од. вимірювання | Типорозмір | ||
| ЦТНД-315 | ЦТНД-400 | ЦТНД-500 | ||
| Передавальні числа | 63, 80, 100, 125, 160 | |||
| Допустиме радіальне консольне навантаження на тихохідному валу | Н | 24000 | 32600 | 42200 |
| Номінальний момент, що крутить, на тихохідному валу | Н.м. | 8300 | 17000 | 28500 |
| Коефіцієнт корисної дії | % | 0,96 | ||
| Маса | кг | 485 | 911 | 1448 |
Приклад умовного позначення редуктора
ЦТНД-315-125-14-У1:
ЦТНД – тип редуктора;
315 - сумарна міжосьова відстань;
125 - передавальне число;
14 - тип складання;
У1 – кліматичне виконання.
Цилиндрические редукторы ЦТНД сборки 14
Відгуків про цей товар ще не було.
Немає відгуків про цей товар, станьте першим, залиште свій відгук.
Немає питань про даний товар, станьте першим і задайте своє питання.