Циліндричні редуктори ЦТНД складання 16
Редуктори типу ЦТНД складання 16
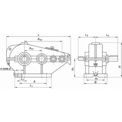
Триступінчасті перетворювачі ЦТНД відносяться до потужних загальнопромислових редукторів циліндричного типу. Вони можуть бути складені у варіанті складання 16. Дане складання за ГОСТ 20373-94 описується наступним чином:
- Паралельне розташування валів.
- Один вихід швидкохідного валу.
- Два порожнисті кінці тихохідного валу для приєднання наступних ланок приводу.
При необхідності придбати якісний перетворювач, який служитиме вам протягом довгих років, звертайтесь до компанії «Промпривод». У нас ви зможете купити редуктор, вибравши необхідний з величезного асортименту механізмів найвищої якості, виготовленим вітчизняним виробником у повній відповідності до всіх необхідних норм і стандартів. У нас можна знайти агрегати в різних варіантах збирання, типорозмірах та інших параметрах.
Умовне позначення варіанти складання 16

Конструкція редуктора ЦТНД

Основні технічні характеристики
| Найменування технічних характеристик | Од. вимірювання | Типорозмір | ||
| ЦТНД-315 | ЦТНД-400 | ЦТНД-500 | ||
| Передавальні числа | 63, 80, 100, 125, 160 | |||
| Допустиме радіальне консольне навантаження на тихохідному валу | Н | 24000 | 32600 | 42200 |
| Номінальний момент, що крутить, на тихохідному валу | Н.м. | 8300 | 17000 | 28500 |
| Коефіцієнт корисної дії | % | 0,96 | ||
| Маса | кг | 485 | 911 | 1448 |
Приклад умовного позначення редуктора
ЦТНД-315-125-16-У1:
ЦТНД – тип редуктора;
315 - сумарна міжосьова відстань;
125 - передавальне число;
16 - тип складання;
У1 – кліматичне виконання.
Цилиндрические редукторы ЦТНД сборки 16
Відгуків про цей товар ще не було.
Немає відгуків про цей товар, станьте першим, залиште свій відгук.
Немає питань про даний товар, станьте першим і задайте своє питання.