Циліндричні редуктори ЦТНД складання 33
Редуктори типу ЦТНД складання 33
Промисловий редуктор з трьома ступенями, здатний працювати відразу від двох «джерел обертання» - електричних двигунів і передавати обертання двом виконавчим механізмам - це циліндричний редуктор ЦТНД, складений відповідно до ГОСТ 20373-94 у варіанті складання 33.
Такий спосіб складання перетворювача дає можливість встановлювати два двигуни, які розподіляють навантаження між собою та страхують систему від виходу з ладу через поломку одного з них.
Здійснити раціональну покупку та підібрати найбільш підходящий промисловий редуктор вам допоможуть компетентні менеджери компанії «Промпривод». Щоб купити редуктор сміливо телефонуйте за телефонами, вказаними на сайті, та купуйте високоякісне виробниче обладнання за мінімальною вартістю! Для постійних клієнтів та оптових покупців діє гнучка система знижок. Гарантія якості на обладнання 12 місяців з моменту придбання.
Умовне позначення варіанта складання 33

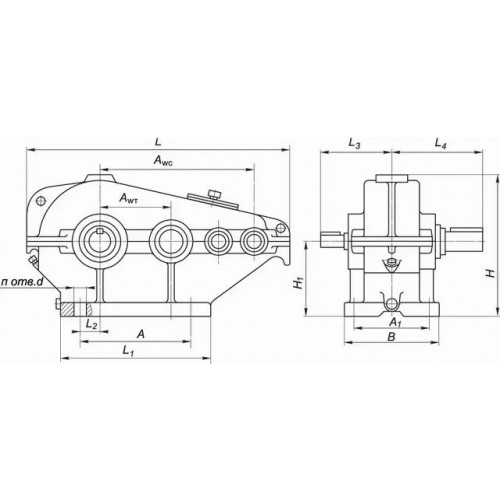
Конструкція редуктора ЦТНД

Основні технічні характеристики
| Найменування технічних характеристик | Од. вимірювання | Типорозмір | ||
| ЦТНД-315 | ЦТНД-400 | ЦТНД-500 | ||
| Передавальні числа | 63, 80, 100, 125, 160 | |||
| Допустиме радіальне консольне навантаження на тихохідному валу | Н | 24000 | 32600 | 42200 |
| Номінальний момент, що крутить, на тихохідному валу | Н.м. | 8300 | 17000 | 28500 |
| Коефіцієнт корисної дії | % | 0,96 | ||
| Маса | кг | 485 | 911 | 1448 |
Приклад умовного позначення редуктора
ЦТНД-315-125-33-У1:
ЦТНД – тип редуктора;
315 - сумарна міжосьова відстань;
125 - передавальне число;
33 - тип складання;
У1 – кліматичне виконання.
Цилиндрические редукторы ЦТНД сборки 33
Відгуків про цей товар ще не було.
Немає відгуків про цей товар, станьте першим, залиште свій відгук.
Немає питань про даний товар, станьте першим і задайте своє питання.