Циліндричні редуктори ЦТНД складання 34
Редуктори типу ЦТНД складання 34
Для створення коректного технологічного процесу при складанні приводів загального призначення та вузькоспеціалізованих агрегатів використовується потужний триступінчастий промисловий редуктор серії ЦТНД. Він особливо затребуваний у конвеєрних та елеваторних системах, як перетворювач для живильника тощо.
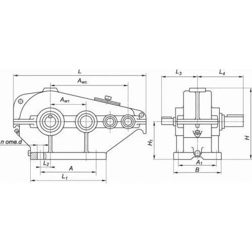
Для розширення способів застосування даного пристрою, його випускають у різних варіантах складання. Згідно з ГОСТ 20373-94, редуктор ЦТНД може мати складання з двома вхідними та двома вихідними кінцями валів. Це складання 34, схема якого представлена нижче.
Ми зобов'язуємося надати вам коректно працюючий механізм, що має тривалу гарантію, що володіє всіма заявленими якостями. Здійснюємо доставку товару Україною перевіреними транспортними організаціями. Телефонуйте в компанію «Промпривод», щоб купити редуктор, мотор-редуктор та комплектуючі до них запчастини за доступною ціною.
Умовне позначення варіанта складання 34

Конструкція редуктора ЦТНД

Основні технічні характеристики
| Найменування технічних характеристик | Од. вимірювання | Типорозмір | ||
| ЦТНД-315 | ЦТНД-400 | ЦТНД-500 | ||
| Передавальні числа | 63, 80, 100, 125, 160 | |||
| Допустиме радіальне консольне навантаження на тихохідному валу | Н | 24000 | 32600 | 42200 |
| Номінальний момент, що крутить, на тихохідному валу | Н.м. | 8300 | 17000 | 28500 |
| Коефіцієнт корисної дії | % | 0,96 | ||
| Маса | кг | 485 | 911 | 1448 |
Приклад умовного позначення редуктора
ЦТНД-315-125-34-У1:
ЦТНД – тип редуктора;
315 - сумарна міжосьова відстань;
125 - передавальне число;
34 - тип складання;
У1 – кліматичне виконання.
Цилиндрические редукторы ЦТНД сборки 34
Відгуків про цей товар ще не було.
Немає відгуків про цей товар, станьте першим, залиште свій відгук.
Немає питань про даний товар, станьте першим і задайте своє питання.