Циліндричні редуктори ЦТНД складання 11
Редуктори типу ЦТНД складання 11
Для найбільш навантажених систем, у яких робота виконується з великими значеннями, слід використовувати великогабаритні перетворювачі, що мають достатні параметри здійснення поставленої задачі. До таких механізмів можна віднести перетворювачі типу ЦТНД – триступінчасті циліндричні редуктори загального промислового призначення. Вони мають горизонтальне розташування валів та повинні закріплюватися на площину також у горизонтальному положенні.
Дані редуктори можуть виконуватися в різних варіантах складання. У нас ви можете купити редуктор ЦТНД складання 11 з одностороннім виходом кінцем тихохідного та швидкохідного валу.
Купуйте якісні перетворювачі та інші промислові механізми на сайті виробника компанії «Промпривод» за найнижчою ціною без переплат. Ми співпрацюємо з товарними компаніями по всій Україні та можемо відправити ваше замовлення у будь-яку точку нашої країни. У нас найввічливіше та компетентне обслуговування, а також трирічна гарантія на весь сертифікований товар.
Умовне позначення варіанти складання 11

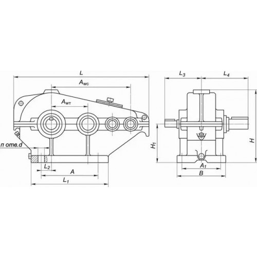
Конструкція редуктора ЦТНД

Основні технічні характеристики
| Найменування технічних характеристик | Од. вимірювання | Типорозмір | ||
| ЦТНД-315 | ЦТНД-400 | ЦТНД-500 | ||
| Передавальні числа | 63, 80, 100, 125, 160 | |||
| Допустиме радіальне консольне навантаження на тихохідному валу | Н | 24000 | 32600 | 42200 |
| Номінальний момент, що крутить, на тихохідному валу | Н.м. | 8300 | 17000 | 28500 |
| Коефіцієнт корисної дії | % | 0,96 | ||
| Маса | кг | 485 | 911 | 1448 |
Приклад умовного позначення редуктора
ЦТНД-315-125-11-У1
ЦТНД - тип редуктора;
315 - сумарне міжосьова відстань;
125 - передаточне число;
11 - тип складання;
У1 - кліматичне виконання.
Цилиндрические редукторы ЦТНД сборки 11
Відгуків про цей товар ще не було.
Немає відгуків про цей товар, станьте першим, залиште свій відгук.
Немає питань про даний товар, станьте першим і задайте своє питання.