Циліндричні редуктори ЦТНД складання 15
Редуктори типу ЦТНД складання 15
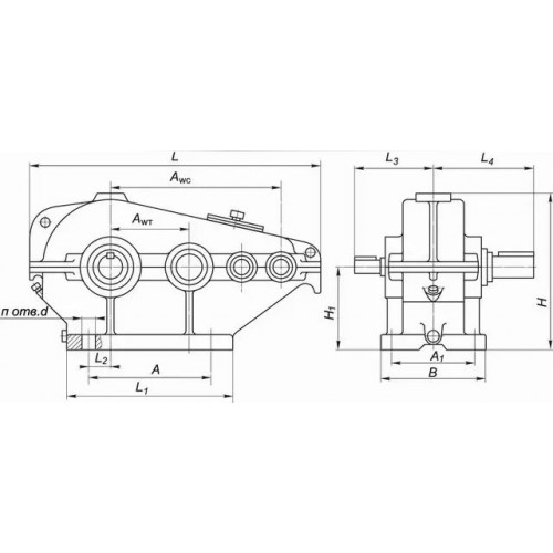
Редуктори ЦТНД відносяться до триступінчастих циліндричних перетворювачів, які призначені для загальнопромислових цілей та працюють на великих потужностях. Універсальність даного перетворювача змушує виробників виготовляти редуктори в різних варрантах складання, одним з яких є складання 15. Відповідно до ГОСТ 20373-94, редуктори ЦТНД, створені зі складання 15, мають два кінці вихідних (тихохідних валів). Вхідний вал позначається одним вихідним кінцем.
Ознайомтеся з багатим асортиментом перетворювачів загального та особливого призначення на сайті компанії «Промпривод». У нас ви знайдете і зможете купити редуктор варіанта складання 15 та інших за найнижчими цінами. Звертайтеся до нас, і ми надамо детальну консультацію з будь-якого питання, що вас цікавить. Замовлення надсилає провідними транспортними компаніями-компаньйонами України до будь-якої точки країни.
Умовне позначення варіанти складання 15

Конструкція редуктора ЦТНД

Основні технічні характеристики
| Найменування технічних характеристик | Од. вимірювання | Типорозмір | ||
| ЦТНД-315 | ЦТНД-400 | ЦТНД-500 | ||
| Передавальні числа | 63, 80, 100, 125, 160 | |||
| Допустиме радіальне консольне навантаження на тихохідному валу | Н | 24000 | 32600 | 42200 |
| Номінальний момент, що крутить, на тихохідному валу | Н.м. | 8300 | 17000 | 28500 |
| Коефіцієнт корисної дії | % | 0,96 | ||
| Маса | кг | 485 | 911 | 1448 |
Приклад умовного позначення редуктора
ЦТНД-315-125-15-У1:
ЦТНД – тип редуктора;
315 - сумарна міжосьова відстань;
125 - передавальне число;
15 - тип складання;
У1 – кліматичне виконання.
Цилиндрические редукторы ЦТНД сборки 15
Відгуків про цей товар ще не було.
Немає відгуків про цей товар, станьте першим, залиште свій відгук.
Немає питань про даний товар, станьте першим і задайте своє питання.