Циліндричні редуктори ЦТНД складання 23
Редуктори типу ЦТНД складання 23
Як потужний промисловий перетворювач у промислових приводах загального призначення нерідко використовують редуктори ЦТНД. Вони мають три ступені передачі, завдяки чому їх функції перетворення характеризуються надзвичайно позитивними значеннями.
Циліндричні редуктори можуть бути складені у різних варіантах, опис яких можна знайти у ГОСТ 20373-94. Варіант складання 23 відрізняється від подібних наявністю двох кінців тихохідного валу для підключення одночасно двох виконавчих приладів або механізмів вимірювання.
Якщо ви шукаєте, де купити редуктор високої якості, то рекомендуємо звернутися до менеджерів компанії «Промпривод», щоб дізнатися всю інформацію про можливості придбання та особливості експлуатації будь-якого загальнопромислового або спеціалізованого редуктора. Ми надаємо своїм клієнтам докладну консультативну допомогу, а також надаємо тривалу гарантію на всі перетворювачі, що діє протягом року.
Умовне позначення варіанта складання 23

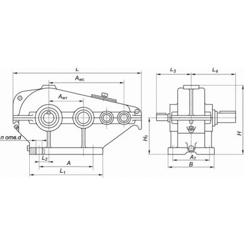
Конструкція редуктора ЦТНД

Основні технічні характеристики
| Найменування технічних характеристик | Од. вимірювання | Типорозмір | ||
| ЦТНД-315 | ЦТНД-400 | ЦТНД-500 | ||
| Передавальні числа | 63, 80, 100, 125, 160 | |||
| Допустиме радіальне консольне навантаження на тихохідному валу | Н | 24000 | 32600 | 42200 |
| Номінальний момент, що крутить, на тихохідному валу | Н.м. | 8300 | 17000 | 28500 |
| Коефіцієнт корисної дії | % | 0,96 | ||
| Маса | кг | 485 | 911 | 1448 |
Приклад умовного позначення редуктора
ЦТНД-315-125-23-У1:
ЦТНД – тип редуктора;
315 - сумарна міжосьова відстань;
125 - передавальне число;
23 - тип складання;
У1 – кліматичне виконання.
Цилиндрические редукторы ЦТНД сборки 23
Відгуків про цей товар ще не було.
Немає відгуків про цей товар, станьте першим, залиште свій відгук.
Немає питань про даний товар, станьте першим і задайте своє питання.