Циліндричні редуктори ЦТНД складання 12
Редуктори типу ЦТНД складання 12
Редуктори типу ЦТНД варіанти складання 12 використовуються як перетворювачі механічних величин, що надходять на нього в приводах конвеєрних стрічок, як частина приводу у вугільній та іншій добувній промисловості, в автомобільному виробництві і при вирішенні завдань іншого роду.
Завдяки своєму широкому діапазону сфер застосування перетворювач отримав назву загальнопромислового. Експлуатація редуктора триступінчастого з зачепленням Новікова може здійснюватися протягом 24 годин при знакозмінному навантаженні та частоті обертання швидкохідного валу, що не перевищує 1500 об/хв.
Підібрати відповідний редуктор допоможуть менеджери компанії «Промпривод». Ми надає покупцям прозору інформацію про всі можливості та особливості агрегатів, що купуються, також даємо можливість отримати знижку при оптовому замовленні і отримати сою покупку в будь-якому населеному пункті країни в оптимальні терміни.
Умовне позначення варіанта складання 12

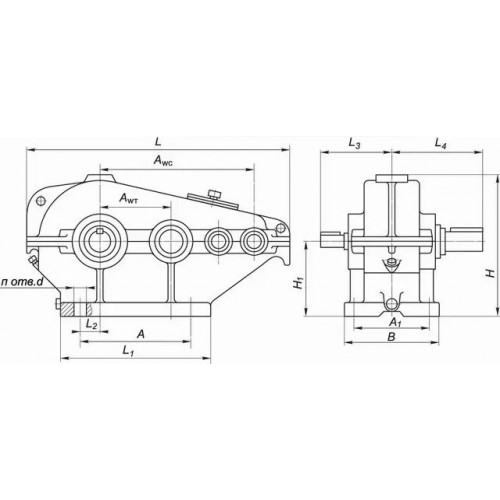
Конструкція редуктора ЦТНД

Основні технічні характеристики
| Найменування технічних характеристик | Од. вимірювання | Типорозмір | ||
| ЦТНД-315 | ЦТНД-400 | ЦТНД-500 | ||
| Передавальні числа | 63, 80, 100, 125, 160 | |||
| Допустиме радіальне консольне навантаження на тихохідному валу | Н | 24000 | 32600 | 42200 |
| Номінальний момент, що крутить, на тихохідному валу | Н.м. | 8300 | 17000 | 28500 |
| Коефіцієнт корисної дії | % | 0,96 | ||
| Маса | кг | 485 | 911 | 1448 |
Приклад умовного позначення редуктора
ЦТНД-315-125-12-У1:
ЦТНД - тип редуктора;
315 - сумарна міжосьова відстань;
125 - передавальне число;
12 - тип складання;
У1 - кліматичне виконання.
Цилиндрические редукторы ЦТНД сборки 12
Відгуків про цей товар ще не було.
Немає відгуків про цей товар, станьте першим, залиште свій відгук.
Немає питань про даний товар, станьте першим і задайте своє питання.