Циліндричні редуктори ЦТНД складання 13
Редуктори типу ЦТНД складання 13
Триступінчасті перетворювачі ЦТНД призначені для зміни моменту кручення системи з метою оптимізації технологічного процесу. Їх встановлюють як частину приводної системи конвеєрів, живильників та інших машин у навантажених системах, що працюють при великих потужностях.
Існує можливість приєднання до редуктора двох елементів приводу. Для цього слід вибирати перетворювачі ЦТНД складання 13, що описується в ГОСТ 20373-94.
Отримайте детальну інформацію про будь-який цікавий для вас редуктор або варіант його складання 13 у менеджерів компанії «Промпривод». У нас ви зможете купити редуктор за найбільш вигідною ціною та з можливістю доставки до будь-якого населеного пункту країни з наданням необхідної документації, що доводить справність та відповідність стандарту кожного придбаного у нас перетворювача, запчастин до нього чи іншого обладнання.
Умовне позначення варіанта збирання 13

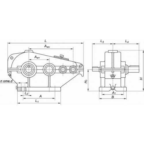
Конструкція редуктора ЦТНД

Основні технічні характеристики
| Найменування технічних характеристик | Од. вимірювання | Типорозмір | ||
| ЦТНД-315 | ЦТНД-400 | ЦТНД-500 | ||
| Передавальні числа | 63, 80, 100, 125, 160 | |||
| Допустиме радіальне консольне навантаження на тихохідному валу | Н | 24000 | 32600 | 42200 |
| Номінальний момент, що крутить, на тихохідному валу | Н.м. | 8300 | 17000 | 28500 |
| Коефіцієнт корисної дії | % | 0,96 | ||
| Маса | кг | 485 | 911 | 1448 |
Приклад умовного позначення редуктора
ЦТНД-315-125-13-У1:
ЦТНД – тип редуктора;
315 - сумарна міжосьова відстань;
125 - передавальне число;
13 - тип складання;
У1 – кліматичне виконання.
Цилиндрические редукторы ЦТНД сборки 13
Відгуків про цей товар ще не було.
Немає відгуків про цей товар, станьте першим, залиште свій відгук.
Немає питань про даний товар, станьте першим і задайте своє питання.