Циліндричні редуктори ЦТНД складання 21
Редуктори типу ЦТНД складання 21
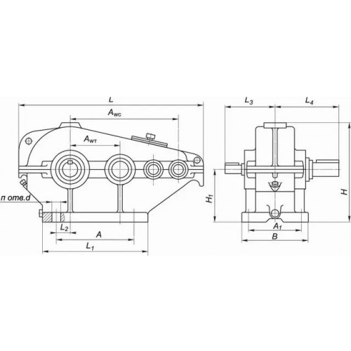
Триступінчасті промислові редуктори серії ЦТНД відповідно до ГОСТ 20373-94 можуть бути складені з різним просторовим розташуванням валів.
Ми пропонуємо купити редуктор в Україні у складанні 21, відповідно до якого перетворювач має один вихід тихохідного валу для приєднання наступної деталі приводу та один вихід швидкохідного валу, до якого приєднується електричний двигун.
У каталозі товарів, представлених на сайті компанії «Промпривод», ви можете знайти як загальнопромислові, так і спеціалізовані перетворювачі, а також комплектуючі та запчастини до них. Ви можете замовити дзвінок менеджера або скористатися послугою – написати нашим представникам у режимі онлайн-чату, щоб купити редуктор за найпривабливішою вартістю.
Умовне позначення варіанта складання 21

Конструкція редуктора ЦТНД

Основні технічні характеристики
| Найменування технічних характеристик | Од. вимірювання | Типорозмір | ||
| ЦТНД-315 | ЦТНД-400 | ЦТНД-500 | ||
| Передавальні числа | 63, 80, 100, 125, 160 | |||
| Допустиме радіальне консольне навантаження на тихохідному валу | Н | 24000 | 32600 | 42200 |
| Номінальний момент, що крутить, на тихохідному валу | Н.м. | 8300 | 17000 | 28500 |
| Коефіцієнт корисної дії | % | 0,96 | ||
| Маса | кг | 485 | 911 | 1448 |
Приклад умовного позначення редуктора
ЦТНД-315-125-21-У1:
ЦТНД – тип редуктора;
315 - сумарна міжосьова відстань;
125 - передавальне число;
21 - тип складання;
У1 – кліматичне виконання.
Цилиндрические редукторы ЦТНД сборки 21
Відгуків про цей товар ще не було.
Немає відгуків про цей товар, станьте першим, залиште свій відгук.
Немає питань про даний товар, станьте першим і задайте своє питання.