Циліндричні редуктори ЦТНД складання 24
Редуктори типу ЦТНД складання 24
Потужні триступінчасті редуктори промислові серії ЦТНД можуть використовувати як перетворювальний механізм, що допомагає досягти необхідних значень швидкості обертання і моменту, що крутить. Він використовується у зв'язці з високооборотними двигунами і може бути складений у варіанті складання 24, описаному в ГОСТ 20373-94.
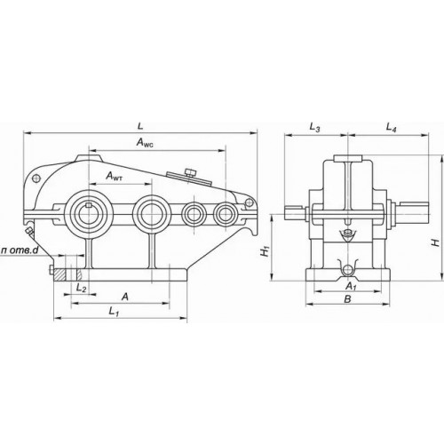
Даний варіант має на увазі наявність двох вихідних кінців тихохідного валу, призначених для підключення відразу кількох виконавчих механізмів. Для більш компактного монтажу один із кінців виконаний у зменшеному вигляді.
Звертайтесь до менеджерів компанії «Промпривод», щоб купити промисловий редуктор за найнижчою в Україні ціною. Ми зобов'язуємося доставити товар у найкоротші терміни, адже маємо в наявності велике складське приміщення і більшість товарів, представлених на сайті, вже є на складі. Ми готові працювати із клієнтами з усіх населених пунктів країни, маючи лояльну програму знижок для оптових покупців.
Умовне позначення варіанта складання 24

Конструкція редуктора ЦТНД

Основні технічні характеристики
| Найменування технічних характеристик | Од. вимірювання | Типорозмір | ||
| ЦТНД-315 | ЦТНД-400 | ЦТНД-500 | ||
| Передавальні числа | 63, 80, 100, 125, 160 | |||
| Допустиме радіальне консольне навантаження на тихохідному валу | Н | 24000 | 32600 | 42200 |
| Номінальний момент, що крутить, на тихохідному валу | Н.м. | 8300 | 17000 | 28500 |
| Коефіцієнт корисної дії | % | 0,96 | ||
| Маса | кг | 485 | 911 | 1448 |
Приклад умовного позначення редуктора
ЦТНД-315-125-24-У1:
ЦТНД – тип редуктора;
315 - сумарна міжосьова відстань;
125 - передавальне число;
24 - тип складання;
У1 – кліматичне виконання.
Цилиндрические редукторы ЦТНД сборки 24
Відгуків про цей товар ще не було.
Немає відгуків про цей товар, станьте першим, залиште свій відгук.
Немає питань про даний товар, станьте першим і задайте своє питання.