Циліндричні редуктори ЦТНД складання 25
Редуктори типу ЦТНД складання 25
Як конвентер основних механічних величин, що приходять в систему від електричного двигуна використовуються промислові редуктори, одним з яких є перетворювач серії ЦТНД.
Це потужні редуктори, здатні функціонувати з високообертовими двигунами та витримувати значне навантаження. Для установки даного перетворювача відразу до двох виконавчих механізмів слід використовувати редуктори, складені за варіантом складання 25, описаному в ГОСТ 20373-94.
Якщо ви шукаєте де купити редуктор недорого, то сміливо телефонуйте менеджерам компанії «Промпривод», щоб ознайомитися з великим асортиментом промислових і вузькоспеціалізованих перетворювачів. У нашому каталозі товарів ви обов'язково знайдете те, що зможе задовольнити ваші конкретні запити. Якщо вам потрібен унікальний редуктор, створений за індивідуальними кресленнями, то ми можемо надати послугу індивідуального виробництва. Наші ціни – найкращі в Україні! Здійснюємо доставку товару до всіх куточків нашої держави.
Умовне позначення варіанта складання 25

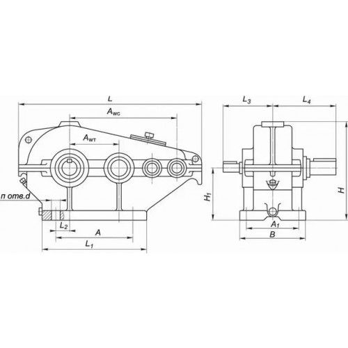
Конструкція редуктора ЦТНД

Основні технічні характеристики
| Найменування технічних характеристик | Од. вимірювання | Типорозмір | ||
| ЦТНД-315 | ЦТНД-400 | ЦТНД-500 | ||
| Передавальні числа | 63, 80, 100, 125, 160 | |||
| Допустиме радіальне консольне навантаження на тихохідному валу | Н | 24000 | 32600 | 42200 |
| Номінальний момент, що крутить, на тихохідному валу | Н.м. | 8300 | 17000 | 28500 |
| Коефіцієнт корисної дії | % | 0,96 | ||
| Маса | кг | 485 | 911 | 1448 |
Приклад умовного позначення редуктора
ЦТНД-315-125-25-У1:
ЦТНД – тип редуктора;
315 - сумарна міжосьова відстань;
125 - передавальне число;
25 - тип складання;
У1 – кліматичне виконання.
Цилиндрические редукторы ЦТНД сборки 25
Відгуків про цей товар ще не було.
Немає відгуків про цей товар, станьте першим, залиште свій відгук.
Немає питань про даний товар, станьте першим і задайте своє питання.