Циліндричні редуктори ЦТНД складання 26
Редуктори типу ЦТНД складання 26
Редуктори серії ЦТНД відрізняються вкрай високою витривалістю, продуктивністю і можливістю роботи з високооборотними двигунами при сильних потужностях.
Для підключення до даного механізму одразу кількох виконавчих пристроїв рекомендується вибирати промислові редуктори, складені у варіанті складання 26. Знайти повний опис даного варіанту можна в ГОСТ 20373-94.
Ознайомитись з найширшим асортиментом перетворювальної техніки та комплектуючих до неї, а також замовити докладну консультацію щодо підбору редуктора, мотор-редукора та іншого механізму ви можете на сайті виробника «Промпривод». Ми працюємо із замовниками по всій Україні, доставляємо товари до будь-якого населеного пункту держави перевіреними транспортними компаніями. У нас ви зможете купити редуктор за найпривабливішою вартістю!
Умовне позначення варіанта складання 26

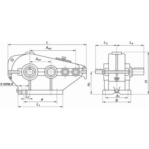
Конструкція редуктора ЦТНД

Основні технічні характеристики
| Найменування технічних характеристик | Од. вимірювання | Типорозмір | ||
| ЦТНД-315 | ЦТНД-400 | ЦТНД-500 | ||
| Передавальні числа | 63, 80, 100, 125, 160 | |||
| Допустиме радіальне консольне навантаження на тихохідному валу | Н | 24000 | 32600 | 42200 |
| Номінальний момент, що крутить, на тихохідному валу | Н.м. | 8300 | 17000 | 28500 |
| Коефіцієнт корисної дії | % | 0,96 | ||
| Маса | кг | 485 | 911 | 1448 |
Приклад умовного позначення редуктора
ЦТНД-315-125-26-У1:
ЦТНД – тип редуктора;
315 - сумарна міжосьова відстань;
125 - передавальне число;
26 - тип складання;
У1 – кліматичне виконання.
Цилиндрические редукторы ЦТНД сборки 26
Відгуків про цей товар ще не було.
Немає відгуків про цей товар, станьте першим, залиште свій відгук.
Немає питань про даний товар, станьте першим і задайте своє питання.