Циліндричні редуктори ЦТНД складання 31
Редуктори типу ЦТНД складання 31
Триступінчасті перетворювачі, здатні працювати при значних навантаженнях і які мають можливість підключення відразу до двох двигунів, - промислові редуктори серії ЦТНД.
Складені у варіанті складання 31, дані редуктори виконують функцію конвектора, що перетворює значення швидкості обертання і моменту кручення, що надходять на низ, передаючи їх одному виконавчому механізму.
Більший перелік продукції загального промислового призначення, а також спеціалізованої техніки та комплектуючого обладнання до них можна знайти на сайті виробника «Промпривод». У нас завжди хороші ціни та лояльна програма знижок для оптових клієнтів. Звертайтесь до наших менеджерів, щоб купити редуктори недорого та з можливістю їх доставки по всій Україні.
Умовне позначення варіанта складання 31

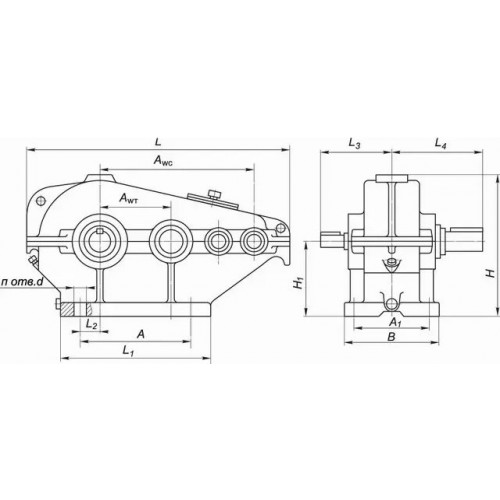
Конструкція редуктора ЦТНД

Основні технічні характеристики
| Найменування технічних характеристик | Од. вимірювання | Типорозмір | ||
| ЦТНД-315 | ЦТНД-400 | ЦТНД-500 | ||
| Передавальні числа | 63, 80, 100, 125, 160 | |||
| Допустиме радіальне консольне навантаження на тихохідному валу | Н | 24000 | 32600 | 42200 |
| Номінальний момент, що крутить, на тихохідному валу | Н.м. | 8300 | 17000 | 28500 |
| Коефіцієнт корисної дії | % | 0,96 | ||
| Маса | кг | 485 | 911 | 1448 |
Приклад умовного позначення редуктора
ЦТНД-315-125-31-У1:
ЦТНД – тип редуктора;
315 - сумарна міжосьова відстань;
125 - передавальне число;
31 - тип складання;
У1 – кліматичне виконання.
Цилиндрические редукторы ЦТНД сборки 31
Відгуків про цей товар ще не було.
Немає відгуків про цей товар, станьте першим, залиште свій відгук.
Немає питань про даний товар, станьте першим і задайте своє питання.