Циліндричні редуктори ЦТНД складання 32
Редуктори типу ЦТНД складання 32
Циліндричний редуктор ЦТНД використовується як перетворювальний механізм у виробничих цілях.
Він відіграє роль конвектора величин, що допомагає досягти оптимальних показників для роботи всього агрегату, частина якого він є.
Одним з варіантів складання даного механізму є складання 32, яке описується за ГОСТ 20373-94.
Придбати редуктори різної модифікації можна на сайті компанії «Промпривод». У нас ви знайдете великий асортимент перетворювальної загальнопромислової та спеціалізованої продукції, інформацію про яку вам дадуть менеджери нашої компанії в телефонному режимі або в онлайн-чаті. Телефонуйте нам, щоб купити редуктор на найвигідніших умовах.
Умовне позначення варіанта складання 32

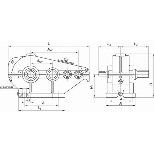
Конструкція редуктора ЦТНД

Основні технічні характеристики
| Найменування технічних характеристик | Од. вимірювання | Типорозмір | ||
| ЦТНД-315 | ЦТНД-400 | ЦТНД-500 | ||
| Передавальні числа | 63, 80, 100, 125, 160 | |||
| Допустиме радіальне консольне навантаження на тихохідному валу | Н | 24000 | 32600 | 42200 |
| Номінальний момент, що крутить, на тихохідному валу | Н.м. | 8300 | 17000 | 28500 |
| Коефіцієнт корисної дії | % | 0,96 | ||
| Маса | кг | 485 | 911 | 1448 |
Приклад умовного позначення редуктора
ЦТНД-315-125-32-У1:
ЦТНД – тип редуктора;
315 - сумарна міжосьова відстань;
125 - передавальне число;
32 - тип складання;
У1 – кліматичне виконання.
Цилиндрические редукторы ЦТНД сборки 32
Відгуків про цей товар ще не було.
Немає відгуків про цей товар, станьте першим, залиште свій відгук.
Немає питань про даний товар, станьте першим і задайте своє питання.