Циліндричний редуктор 1ЦУ-100
Редуктор 1ЦУ-100
Редуктор 1ЦУ-100, який пропонує вашій увазі наша компанія, є циліндровим одноступінчастим редуктором, який має загальномашинобудівне застосування, призначений редуктор ЦУ для того, щоб робити збільшення крутного моменту і зменшувати при цьому частоту обертання.
Редуктори 1ЦУ розраховані до роботи за таких умов:
- робота тривала до 24 годин на добу або з періодичними зупинками;
- робота в безперервному та повторно-короткочасному режимах, навантаження одного напрямку та реверсивна;
- обертання валів у будь-який бік;
- частота обертання вхідного валу не перевищує 1800 об/хв;
- кліматичні виконання У1, У2, У3, УХЛ4, Т1, Т2, Т3 та О4 за ГОСТ 15150-69;
- атмосфера типів I та II за ГОСТ 15150-69 при запиленості повітря не більше 10 мг/м3.
Переваги роботи з нами:
- Максимально швидке відвантаження - завжди в обумовлений термін.
- Досвідчені спеціалісти.
- Товар чудової якості.
- Гарантія на кожну покупку.
- Найвигідніші ціни.
- Відправимо замовлення будь-яким перевізником, по Харкову доставимо власним транспортом.

Технічні параметри
| Передавальні відносини | 2; 2,5; 3,15; 4; 5; 6,3 | |
| Навантаження на вал, Н | на швидкохідний вал | 1250 |
| на тихохідний вал | 4500 | |
| Момент крутіння на тихохідному валу, Н.м | 1250 | |
| ККД | 0,98 | |
| Маса, кг | 78 | |
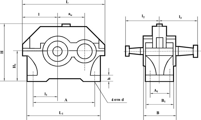
Розміри редуктора
| Aw | A | A 1 | B | B 1 | H | H 1 | h | L | L 1 | L 2 | L 3 | L 4 | L 5 | d |
| 160 | 475 | 405 | 136 | 195 | 218 | 218 | 335 | 170 | 28 | 355 | 125 | 185 | 175 | 24 |

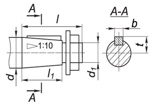
Габарити валів
| Вал на вході | Вал на виході | ||||||||||
| d | d 1 | l | l 1 | b | t | d | d 1 | l | l 1 | b | t |
| 45 | М30х2,0 | 110 | 82 | 12 | 23,45 | 55 | М36х3,0 | 110 | 82 | 14 | 28,9 |
Варіанти складання редуктора

Умовне позначення редуктора 1ЦУ-100

Цилиндрический редуктор 1ЦУ-100
Відгуків про цей товар ще не було.
Немає відгуків про цей товар, станьте першим, залиште свій відгук.
Немає питань про даний товар, станьте першим і задайте своє питання.