Циліндричний редуктор 1ЦУ-200
Редуктор 1ЦУ-200
Одноступінчастий редуктор 1ЦУ -200 - пристрій конструкційно простий і надійний в роботі. Це одноступінчастий циліндричний горизонтальний редуктор загальномашинобудівного призначення.
Модифікація 1ЦУ-200 може використовуватись, у тому числі, на пакувальному, харчовому, деревообробному, сільськогосподарському устаткуванні.
Редуктори 1ЦУ розраховані до роботи за таких умов:
- робота тривала до 24 годин на добу або з періодичними зупинками;
- робота в безперервному та повторно-короткочасному режимах, навантаження одного напрямку та реверсивна;
- обертання валів у будь-який бік;
- частота обертання вхідного валу не перевищує 1800 об/хв;
- кліматичні виконання У1, У2, У3, УХЛ4, Т1, Т2, Т3 та О4 за ГОСТ 15150-69;
- атмосфера типів I та II за ГОСТ 15150-69 при запиленості повітря не більше 10 мг/м3.
Переваги роботи з нами:
- Максимально швидке відвантаження - завжди в обумовлений термін.
- Досвідчені спеціалісти.
- Товар чудової якості.
- Гарантія на кожну покупку.
- Найвигідніші ціни.
- Відправимо замовлення будь-яким перевізником, по Харкову доставимо власним транспортом.

Технічні параметри
| Передавальні відносини | 2; 2,5; 3,15; 4; 5; 6,3 | |
| Навантаження на вал, Н | на швидкохідний вал | 2800 |
| на тихохідний вал | 6300 | |
| Момент крутіння на тихохідному валу, Н.м | 2500 | |
| ККД | 0,98 | |
| Маса, кг | 135 | |
Розміри редуктора
| Aw | A | A 1 | B | B 1 | H | H 1 | h | L | L 1 | L 2 | L 3 | L 4 | L 5 | d |
| 200 | 437 | 165 | 212 | 200 | 425 | 212 | 36 | 670 | 580 | 165 | 236 | 230 | 265 | 24 |

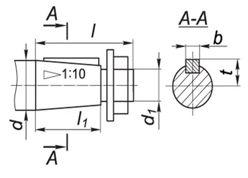
Габарити валів
| Вал на вході | Вал на виході | ||||||||||
| d | d 1 | l | l 1 | b | t | d | d 1 | l | l 1 | b | t |
| 55 | М36х3,0 | 110 | 82 | 14 | 28,95 | 70 | М48х3,0 | 140 | 105 | 18 | 36,38 |
Варіанти складання редуктора

Умовне позначення редуктора 1ЦУ-200

Цилиндрический редуктор 1ЦУ-200
Відгуків про цей товар ще не було.
Немає відгуків про цей товар, станьте першим, залиште свій відгук.
Немає питань про даний товар, станьте першим і задайте своє питання.