Циліндричний редуктор 1ЦУ-250
Редуктор 1ЦУ-250
Циліндричний вузький одноступінчастий горизонтальний редуктор 1ЦУ-250 - може використовуватися, у тому числі, на пакувальному, харчовому, деревообробному, сільськогосподарському устаткуванні. Редуктор 1ЦУ - механічний пристрій, що передає енергію обертання від одного до іншого валу
Редуктори 1ЦУ розраховані до роботи за таких умов:
- робота тривала до 24 годин на добу або з періодичними зупинками;
- робота в безперервному та повторно-короткочасному режимах, навантаження одного напрямку та реверсивна;
- обертання валів у будь-який бік;
- частота обертання вхідного валу не перевищує 1800 об/хв;
- кліматичні виконання У1, У2, У3, УХЛ4, Т1, Т2, Т3 та О4 за ГОСТ 15150-69;
- атмосфера типів I та II за ГОСТ 15150-69 при запиленості повітря не більше 10 мг/м3.
Переваги роботи з нами:
- Максимально швидке відвантаження - завжди в обумовлений термін.
- Досвідчені спеціалісти.
- Товар чудової якості.
- Гарантія на кожну покупку.
- Найвигідніші ціни.
- Відправимо замовлення будь-яким перевізником, по Харкову доставимо власним транспортом.
Технічні параметри
| Передавальні відносини | 2; 2,5; 3,15; 4; 5; 6,3 | |
| Навантаження на вал, Н | на швидкохідний вал | 4000 |
| на тихохідний вал | 9000 | |
| Момент крутіння на тихохідному валу, Н.м | 5000 | |
| ККД | 0,98 | |
| Маса, кг | 250 | |
Розміри редуктора
| Aw | A | A 1 | B | B 1 | H | H 1 | h | L | L 1 | L 2 | L 3 | L 4 | L 5 | d |
| 250 | 545 | 185 | 265 | 250 | 530 | 265 | 40 | 710 | 615 | 212 | 290 | 280 | 315 | 28 |

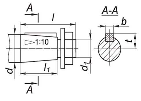
Габарити валів
| Вал на вході | Вал на виході | ||||||||||
| d | d 1 | l | l 1 | b | t | d | d 1 | l | l 1 | b | t |
| 70 | М48х3,0 | 140 | 105 | 18 | 36,38 | 90 | М64х4,0 | 170 | 130 | 22 | 46,75 |
Варіанти складання редуктора

Умовне позначення редуктора 1ЦУ-250

Цилиндрический редуктор 1ЦУ-250
Відгуків про цей товар ще не було.
Немає відгуків про цей товар, станьте першим, залиште свій відгук.
Немає питань про даний товар, станьте першим і задайте своє питання.
